当前位置:首页 > 试卷中心> 月考联考> 沪粤版九年级月考联考 > 内容详情
坝镇中心学校2010-2011学年度九年级物理第一次会考试卷及答案(探究简单电路 探究欧姆定律)
【内容简介】一、选择题:(每小题3分,计21分。每小题给出的四个选项中,只有一个选项是符合题意的,请将该选项的标号填入题后的括号内)
1、下列说法中,正确的是( )
A.电子定向移动的方向规定为电流方向 B.与毛皮摩擦过的橡胶棒带负电
C.电源的作用就是不断产生电荷 D.用电器的作用就是消耗电荷
2、如图1所示,电源电压保持不变,R2=2R1,当开 关接a点时,电压表的示数为U0,当开关接b 点时,电压表的示数( )
A.小于0.5U0
B.等于0.5U0
C.大于0.5U0而小于U0
D.等于U0 图1
3、在使用电压表测电压时,电压表的指针向0刻度左侧偏转,说明( )
A.电压表没有并联在电路中 B.用电压表测电流了
C.“+”、“—”接线柱接反了 D.电压表坏了
4、如图2所示的电路中,下列说法正确的是( )
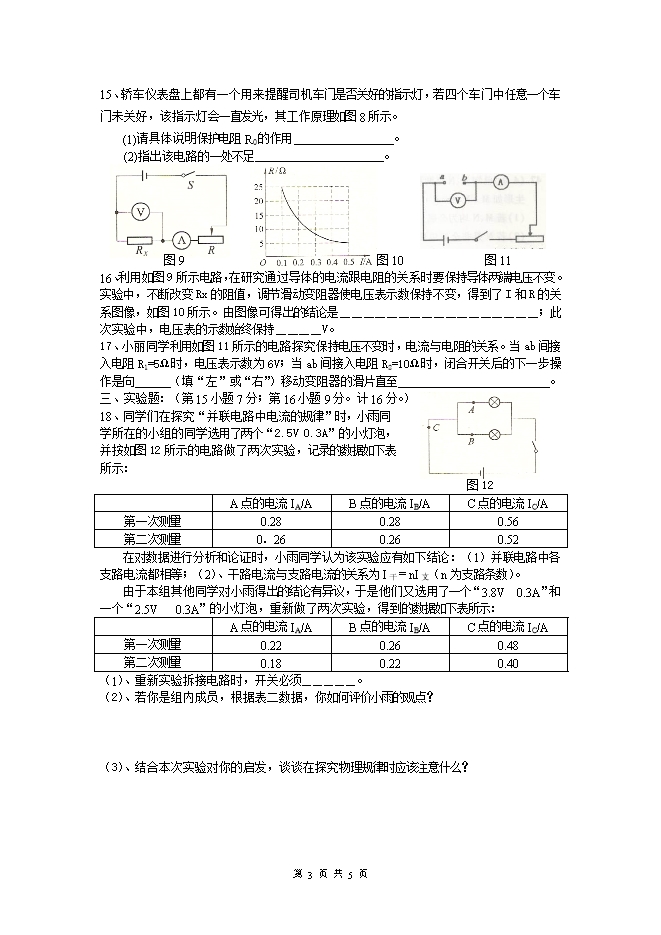
A. 当S2断开,S1、S3闭合时,R1和R2并联
B. 当S2闭合,S1、S3断开时,R1和R2并联
C. 当S1断开,S2、S3闭合时,R1和R2串联
D. 当S1、S2、S3均闭合时,R1和R2串联 图2
5、某同学在“探究电阻上的电流跟两端电压的关系”时,发现通过电阻a、b的电流随电压变化情况如图3所示,则下列结论与图像相符的是( )
A、电阻一定时,电流随着电压的增大而减小。
B、电压不变时,阻值大的电阻通过的电流大。
C、电流相同时,阻值小的电阻两端的电压大。
D、两电阻阻值的关系时Ra>Rb。 图3
..........
?
?
?
部分内容预览



只能预览部分内容,查看全部内容需要下载哦~
同专辑或相关资料
- 622024-2025沪粤版九年级物理《第十四章 探究欧姆定律》培优训练卷及答案
- 442024-2025沪粤版九年级物理《第十三章 探究简单电路》培优训练卷及答案
- 127214.2 探究欧姆定律--2024-2025学年沪粤版九年级物理上册同步实用教案
- 502023秋沪粤版九年级物理《第十四章 探究欧姆定律》综合素质评价试题及答案
- 712023秋沪粤版九年级物理《第十三章 探究简单电路》综合素质评价试题及答案
- 1182021-2022沪粤版九年级物理上册期末节节清:14.2 探究欧姆定律(附答案)
- 169[精品]2020-2021学年沪粤版九年级物理上学期期末复习考点通专题:4 探究欧姆定律(原卷版和解…
- 173[精品]2020-2021学年沪粤版九年级物理上学期期末复习考点通专题:3 探究简单电路(原卷版和解…
资料审核:晓雨
资料格式:rar
资料版本:沪粤版
适用地区:不限
文件大小:0.00B
资料作者:晓雨
审核人员:初中物理在线
下载帮助:
- 下载说明:0点券资源无需下载权限,游客可以直接下载。
- 有点券资源为本站精品课件,只提供给vip会员下载,有效期式vip会员可以在有效期内下载本站所有资源。 查看 【申请有效期vip会员方法】 。
-
- 如果您无法下载到本资料,请先参照以下说明检查:
- 1、所有资料必须是登录后才能下载。
- 2、精品资料下载需要下载权限,请确保您是本站vip会员才可下载。有效期vip会员只受有效期限制,不受点券影响,有效期内即使点券用完,仍可继续下载。
- 4、如果鼠标左键下载时直接打开word文档,无法下载保存,可以右键鼠标选择“将链接另存为”下载word文件。
- 5、如果下载的是word文档,直接可用word软件打开;如果是压缩资料包,下载后请先用winrar解压软件解压,再使用对应软件word打开。
- 6、以上步骤检查后均无法解决问题,您可以到[帮助中心]寻找答案或向网站客服人员寻求支持。


会员登录
用户评论
(欢迎您的评论,评论有奖励哟!)