广东省惠州市惠东县港口中学《15.3探究电磁铁的磁性》学案(附达标练习和课堂测评,沪粤版)
【内容简介】
一、情景引入
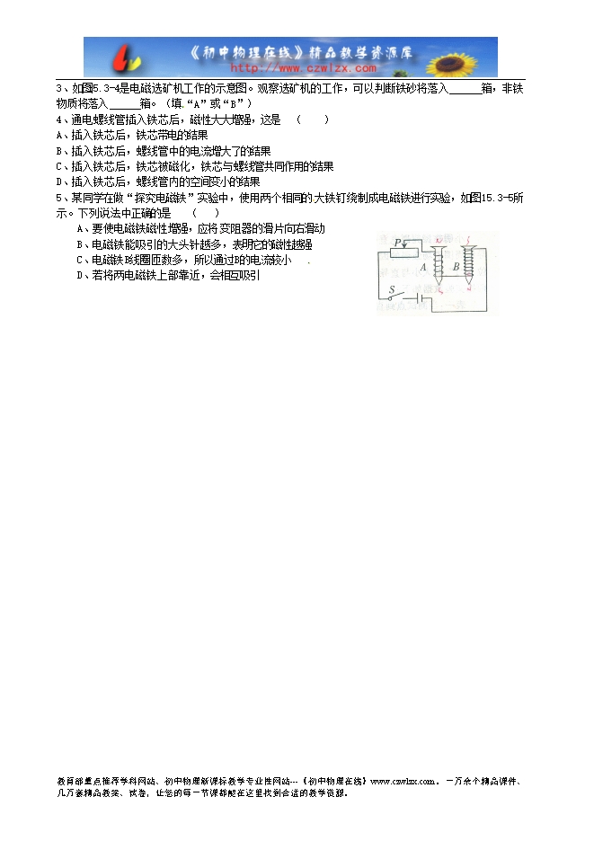
图15.3-1是一个电磁起重机,它能很快吸起成吨的废铁或铁矿石,又可以快速把它们放下,原来它是依靠绕在软铁芯上的线圈通电后产生磁性而起作用的。我们这节课就来探究电磁铁的磁性。
二、教材研究
问题1——什么是电磁铁?
请同学们仔细观察课本P98图15-19 ,回答下列问题:
1、当螺线管通 电时,指针偏转一小角度,表明螺线管有 ;当通电螺线管内插入铁芯时,指针偏转角度变大,表明螺线管的磁性 。因此,人们在利用螺线管的磁性时,通常把螺线管紧密地套在一个铁芯上,这样就构成了一个电磁铁。
2、电磁铁是一个带有铁芯的 ,它是主要由 和 两部分组成。
问题2——探究电磁铁磁性的特点
3、通过课本P100图15-25我们可以得出:电磁铁的磁性有无可以通过 来控制,电磁铁 磁性强弱与 和 有关,其南北极可由_________来控制。
4、电磁铁的优点是 ( )
A、它的磁性非常强
B、它能长时间保持磁性
C、它不需要消耗电能
D、它的磁性有无,强弱和磁极的方向都可以改变
三、典例分析
为了探究电磁铁的磁性强弱与哪些因素有关,王勇同学所在的实验小组进行了如下实验:
他们首先找了两个大铁钉,用漆包线在上面绕制若干圈,做成简易电 磁铁,然后分别按图 15.3-2所示接入电路.探究前,小勤他们还作了以下猜想:
猜想A:电磁铁,顾名思义通电时有磁性,断电时没有磁性;
猜想B:通过的电流越大,磁性越强;
猜想C:外形相同电磁铁,线圈的匝数 越多,磁性越强 .
他们通过观察简易电磁铁吸引大头针的情况来判断磁性的有无和强弱.请仔细观察这四幅图,然后完成下列填空.
........
?
部分内容预览



只能预览部分内容,查看全部内容需要下载哦~
同专辑或相关资料
资料审核:czwlzx
资料格式:doc
资料版本:沪粤版
适用地区:广东
文件大小:0.00B
资料作者:港口中学
审核人员:初中物理在线
下载帮助:
- 下载说明:0点券资源无需下载权限,游客可以直接下载。
- 有点券资源为本站精品资源,只提供给vip会员下载,有效期式vip会员可以在有效期内下载本站所有资源。 查看 【申请有效期vip会员方法】 。
-
- 如果您无法下载到本资料,请先参照以下说明检查:
- 1、精品资料必须是登录后才能下载。
- 2、精品资料需要下载权限,请确保您是本站vip会员才可下载。有效期式vip会员只受有效期限制,不受点券影响,有效期内即使点券用完,仍可继续下载。
- 4、如果浏览器启用了拦截弹出窗口,此功能有可能造成下载失败,请临时关闭此功能。本站所有资源下载也无需打开任何下载软件。
- 5、如果下载的是word文档,直接可用word软件打开;如果是压缩资料包,下载后请先用winrar解压软件解压,再使用对应软件word打开。
- 6、以上步骤检查后均无法解决问题,您可以到[帮助中心]寻找答案或向网站客服人员寻求支持。


会员登录
用户评论
(欢迎您的评论,评论有奖励哟!)