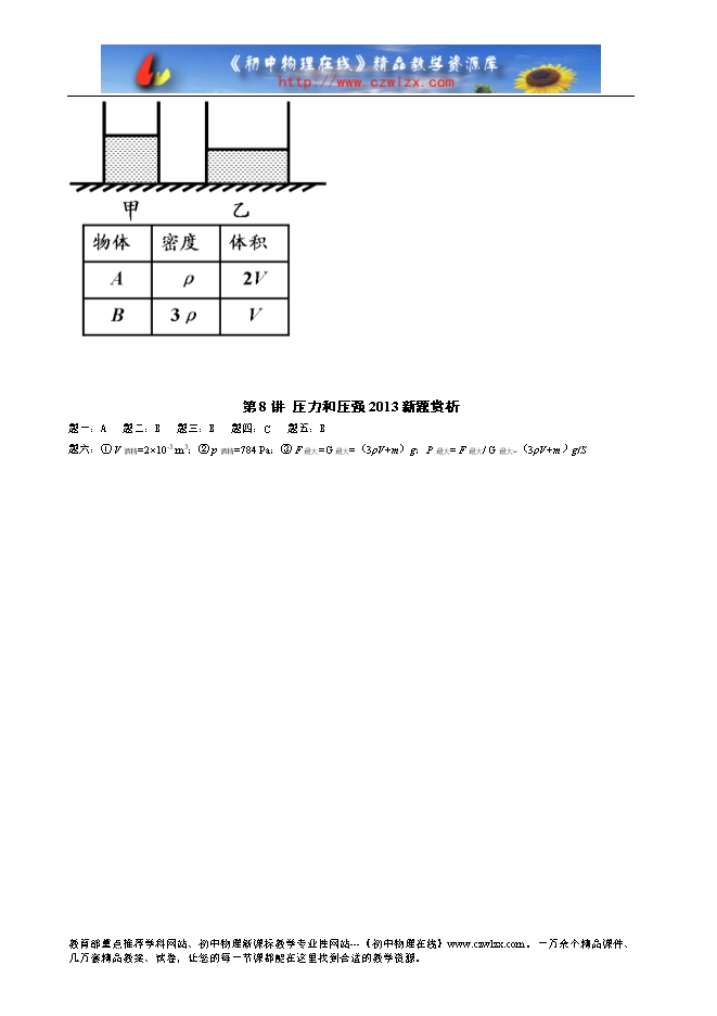
[err:数据源标签'PE.DataSource id="cone" datasource="资料_内容页" itemId="23598" xslt="true" wu="0"'返回数据错,原因:名称不能以“ ”字符(十六进制值 0x20)开头。 行 23,位置 52。,源码:235983 <meta http-equiv="refresh" content="0;url=/Item/23598.aspx?wu=1" /> 12592014届中考物理复习名师讲义例题:第8讲 压力和压强2013新题赏析(辽宁省凌海市石山初级中学,附例题答案)0.00B0.00Bdocczwlzx郝老师czwlzx/UploadFiles/UserPic/UserAvatars/15219_150_150.jpg <script language="JavaScript" type="text/JavaScript" src="/Common/GetHits.aspx?id=23598"></script> <script language="JavaScript" type="text/JavaScript" src="/Common/GetHits.aspx?hitstype=dayhits&id=23598"></script> <script language="JavaScript" type="text/JavaScript" src="/Common/GetHits.aspx?hitstype=weekhits&id=23598"></script> <script language="JavaScript" type="text/JavaScript" src="/Common/GetHits.aspx?hitstype=monthhits&id=23598"></script> <script language="JavaScript" type="text/JavaScript" src="/Common/GetBrowseTimes.aspx?id=23598"></script> <img src="/images/star5.jpg" /> 郝老师12014届中考物理复习名师讲义例题,压力和压强原创2014年06月22日/UploadFiles/nopic.gif 题一:下列实例中属于增大压强的是( ) 题二:如图所示, 水平地面上放置着两个底面积不同、高度相同、质题一:下列实例中属于增大压强的是( ) 题二:如图所示, 水平地面上放置着两个底面积不同、高度相同、质量可忽约的薄壁圆柱形容器甲和乙( S甲< S乙) , 分别盛满质量相等的水和酒精。现将密度为ρ的物体A分别放入 水和酒精中( ρ酒精< ρ< ρ水) , 待静止后, 水和酒精对容器底部的压强分别为P水和P酒精, 甲和乙容器对桌面的压力分别为F甲和F乙, 则下列关系正确的是( ) A.P水> P酒精, F甲= F乙 B.P水> P酒精, F甲< F乙 C. P水< P酒精, F甲= F乙 D.P水< P酒精, F甲< F乙 题三:如图所示,均匀圆柱体甲和盛有液体乙的 圆柱形容器放置在水平地面上,甲、乙质量相等。现沿水平方向切去部分甲并从容器中抽取部分乙后,甲对地面的 【内容简介】题一:下列实例中属于增大压强的是( ) 题二:如图所示, 水平地面上放置着两个底面积不同、高度相同、质量可忽约的薄壁圆柱形容器甲和乙( S甲< S乙) , 分别盛满质量相等的水和酒精。现将密度为ρ的物体A分别放入 水和酒精中( ρ酒精< ρ< ρ水) , 待静止后, 水和酒精对容器底部的压强分别为P水和P酒精, 甲和乙容器对桌面的压力分别为F甲和F乙, 则下列关系正确的是( ) A.P水> P酒精, F甲= F乙 B.P水> P酒精, F甲< F乙 C. P水< P酒精, F甲= F乙 D.P水< P酒精, F甲< F乙 题三:如图所示,均匀圆柱体甲和盛有液体乙的 圆柱形容器放置在水平地面上,甲、乙质量相等。现沿水平方向切去部分甲并从容器中抽取部分乙后,甲对地面的压强大于 乙对容器底部的压强。若甲、乙剩余部分的体积分别是V甲 和V乙,则( ) A.V甲可能等于V乙 B.V甲一定大于 V乙 C.V甲可能小于V乙 D.V甲一定小于V乙 题四:如题图所示,水平桌面上有一长为L ,质量分布均匀的木板M ,右端与桌边相齐,在水平力F 的作用下,沿直线向右匀速离开桌边,在此过程中,下列说法正确的是( ) A.M 对桌面的压强变小,压力不变 B.M 对桌面的压强不变,压力不变 C.M 对桌面的压强变大,摩擦力不变 D.M 对桌面的压强变大,摩擦力变小 .......... ? ? ?题一:下列实例中属于增大压强的是( ) 题二:如图所示, 水平地面上放置着两个底面积不同、高度相同、质量可忽约的薄壁圆柱形容器甲和乙( S甲< S乙) , 分别下载地址1|jazx_UploadFiles_352/201406/2014062210324589.doc<p>题一:下列实例中属于增大压强的是( )<br /><br /> 题二:如图所示, 水平地面上放置着两个底面积不同、高度相同、质量可忽约的薄壁圆柱形容器甲和乙( S甲&lt; S乙) , 分别盛满质量相等的水和酒精。现将密度为ρ的物体A分别放入 水和酒精中( ρ酒精&lt; ρ&lt; ρ水) , 待静止后, 水和酒精对容器底部的压强分别为P水和P酒精, 甲和乙容器对桌面的压力分别为F甲和F乙, 则下列关系正确的是( )<br /> A.P水&gt; P酒精, F甲= F乙 B.P水&gt; P酒精, F甲&lt; F乙<br /> C. P水&lt; P酒精, F甲= F乙 D.P水&lt; P酒精, F甲&lt; F乙</p> <p>题三:如图所示,均匀圆柱体甲和盛有液体乙的 圆柱形容器放置在水平地面上,甲、乙质量相等。现沿水平方向切去部分甲并从容器中抽取部分乙后,甲对地面的压强大于 乙对容器底部的压强。若甲、乙剩余部分的体积分别是V甲 和V乙,则( )<br /> A.V甲可能等于V乙 B.V甲一定大于 V乙<br /> C.V甲可能小于V乙 D.V甲一定小于V乙</p> <p>题四:如题图所示,水平桌面上有一长为L ,质量分布均匀的木板M ,右端与桌边相齐,在水平力F 的作用下,沿直线向右匀速离开桌边,在此过程中,下列说法正确的是( )<br /> A.M 对桌面的压强变小,压力不变<br /> B.M 对桌面的压强不变,压力不变<br /> C.M 对桌面的压强变大,摩擦力不变<br /> D.M 对桌面的压强变大,摩擦力变小<br /> ..........</p> <p>?</p> <p>?</p> <p>?</p>不限辽宁学案导学案专供vip会员doc <img src="/images/nopic.gif" alt="2014%e5%b1%8a%e4%b8%ad%e8%80%83%e7%89%a9%e7%90%86%e5%a4%8d%e4%b9%a0%e5%90%8d%e5%b8%88%e8%ae%b2%e4%b9%89%e4%be%8b%e9%a2%98%ef%bc%9a%e7%ac%ac8%e8%ae%b2+%e5%8e%8b%e5%8a%9b%e5%92%8c%e5%8e%8b%e5%bc%ba2013%e6%96%b0%e9%a2%98%e8%b5%8f%e6%9e%90(%e8%be%bd%e5%ae%81%e7%9c%81%e5%87%8c%e6%b5%b7%e5%b8%82%e7%9f%b3%e5%b1%b1%e5%88%9d%e7%ba%a7%e4%b8%ad%e5%ad%a6%2c%e9%99%84%e4%be%8b%e9%a2%98%e7%ad%94%e6%a1%88)" border="0" /> /UploadFiles/jazx_UploadFiles_352/201406/2014062210324589.doc <script type="text/javascript" src="/cuplayer4/js/swfobject.js"></script> <div class="video" id="CuPlayer"><b><img src="/cuplayer4/images/loading.gif" /> 网页视频播放器加载中,请稍后...<a href="http://www.cuplayer.com/cuplayer" target="_blank">点此升级>></a></b></div> <script type="text/javascript"> var so = new SWFObject("/cuplayer4/player.swf","myCuPlayer","940","465","9","#000000"); so.addParam("allowfullscreen","true"); so.addParam("allowscriptaccess","always"); so.addParam("wmode","opaque"); so.addParam("quality","high"); so.addParam("salign","lt"); so.addVariable("JcScpAutoPlay","no"); //是否自动播放 so.addVariable("JcScpShowRightmenu","no"); // so.addVariable("JcScpVideoPath","/UploadFiles/jazx_UploadFiles_352/201406/2014062210324589.doc"); //视频文件地址 so.addVariable("JcScpImg","");//视频缩略图 so.addVariable("JcScpSharetitle","酷播V4.0(CuPlayerV4.0)版使用官方演示实例"); so.write("CuPlayer"); </script> <script language=javascript src="/cuplayer4/js/action.js" type=text/javascript></script> <script type="text/javascript" src="/cuplayer3/images/swfobject.js"></script> <div class="video" id="CuPlayer"><b><img src="/cuplayer3/images/loading.gif" /> 网页视频播放器加载中,请稍后...<a href="http://www.cuplayer.com/cuplayer" target="_blank">点此升级>></a></b></div> <script type="text/javascript"> var so = new SWFObject("/cuplayer3/CuPlayerMiniV3_Black_S.swf","myCuPlayer","862","485","9","#000000"); so.addParam("allowfullscreen","true"); so.addParam("allowscriptaccess","always"); so.addParam("wmode","opaque"); so.addParam("quality","high"); so.addParam("salign","lt"); so.addVariable("CuPlayerFile","/UploadFiles/jazx_UploadFiles_352/201406/2014062210324589.doc"); //视频文件地址 so.addVariable("CuPlayerImage","");//视频缩略图 so.addVariable("CuPlayerShowImage","true"); so.addVariable("CuPlayerWidth","862"); so.addVariable("CuPlayerHeight","485"); so.addVariable("CuPlayerAutoPlay","false"); so.addVariable("CuPlayerAutoRepeat","true"); so.addVariable("CuPlayerShowControl","true"); so.addVariable("CuPlayerAutoHideControl","false"); so.addVariable("CuPlayerAutoHideTime","6"); so.addVariable("CuPlayerVolume","80"); so.addVariable("CuPlayerGetNext","false"); so.write("CuPlayer"); </script> <script language=javascript src="/cuplayer4/js/action.js" type=text/javascript></script> ] {PE.Field id="cone" fieldname="Title" /}-学案中心-初中物理在线 {PE.Field id="cone" fieldname="gourl" /} {PE.Label id="顶部-学案" currentId="{PE.Field id="cone" fieldname="NodeID" /}"/}

当前位置:首页 > {PE.Label id="当前位置导航" nodeId="{PE.Field id="cone" fieldname="NodeID" /}" /} > 内容详情

{PE.Field id="cone" fieldname="Title" /}

ID:{PE.Field id="cone" fieldname="GeneralID" /} {PE.Field id="cone" fieldname="UpdateTime" /} 下载{PE.Field id="cone" fieldname="Hits" /}次 资料纠错 有奖上传 收藏
{PE.Field id="cone" fieldname="SoftIntro" /}

部分内容预览




只能预览部分内容,查看全部内容需要下载哦~
  • 下载地址1
  • {PE.Field id="cone" fieldname="infopoint" /}个点券
  • {PE.Label id="上一篇" unit="份资料" itemId="23598" nodeArray="{PE.Field id="cone" fieldname="NodeID" /}" titleLength="90" /}
  • 用户评论

    (欢迎您的评论,评论有奖励哟!)

    网友评论共 0
    头像

    资料审核:{PE.Field id="cone" fieldname="user" /}

    {PE.Field id="cone" fieldname="special" /}

    资料格式:{PE.Field id="cone" fieldname="ico" /}

    资料版本:{PE.Field id="cone" fieldname="banben" /}

    适用地区:{PE.Field id="cone" fieldname="area" /}

    文件大小:{PE.Field id="cone" fieldname="SoftSize" /}{PE.Field id="cone" fieldname="SoftSizeUnit" /}

    资料作者:{PE.Field id="cone" fieldname="author" /}

    审核人员:{PE.Field id="cone" fieldname="editor" /}

    下载帮助:
    • 下载说明:0点券资源无需下载权限,游客可以直接下载。
    • 有点券资源为本站精品资源,只提供给vip会员下载,有效期式vip会员可以在有效期内下载本站所有资源。 查看 【申请有效期vip会员方法】
    • 如果您无法下载到本资料,请先参照以下说明检查:
      1、精品资料必须是登录后才能下载。
      2、精品资料需要下载权限,请确保您是本站vip会员才可下载。有效期式vip会员只受有效期限制,不受点券影响,有效期内即使点券用完,仍可继续下载。
      4、如果浏览器启用了拦截弹出窗口,此功能有可能造成下载失败,请临时关闭此功能。本站所有资源下载也无需打开任何下载软件。
      5、如果下载的是word文档,直接可用word软件打开;如果是压缩资料包,下载后请先用winrar解压软件解压,再使用对应软件word打开。
      6、以上步骤检查后均无法解决问题,您可以到[帮助中心]寻找答案或向网站客服人员寻求支持。
      展开

    {PE.Field id="cone" fieldname="Title" /}

    {PE.Label id="A评论标签" nodeId="{PE.Field id="cone" fieldname="NodeID" /}" /}