实验15 探究影响浮力大小的因素--备战2021年中考物理25个专题实验精讲与精练
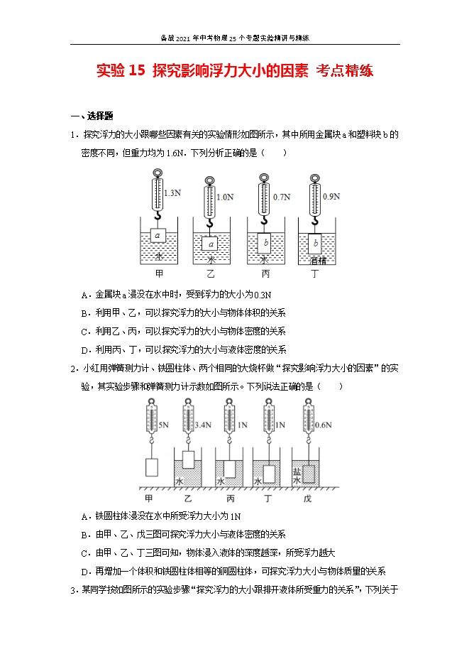
【内容简介】【猜想与假设】浮力的大小可能与物体排开液体的体积、液体的密度和物体浸没在液体中的深度有关。【设计与进行实验】1.主要实验器材:弹簧测力计、物体( )、烧杯、水、盐水等; (1)弹簧测力计的使用:①在使用前,需观察弹簧测力计的指针是否指在零刻度线的位置,若没有,则需对测力计进行调零;②读数时,弹簧测力计需保持静止状态或匀速直线运动状态;③测力计示数=大格示数+小格数×分度值.(2)实验中,通过弹簧测力计的示数变化来说明浮力大小的变化,F浮=G-F示.2.测量浮力大小的原理:称重法( ); 3.实验步骤:(1)探究浮力的大小与浸没在液体中的深度的关系:①测量物体在空气中的重力,如图a;②把物体浸没在水中不同深度处,分别读出弹簧测力计的示数,如图c、d所示;③测出物体所受的浮力。结论一: 。(2)探究浮力大小与物体浸在液体中的体积的关系:①让物体浸在液体中的体积逐渐变大,分别读出弹簧测力计的示数,如图b、c所示;②测出物体所受浮力。结论二: 。(3)探究浮力的大小跟液体的密度的关系:①把同一物体浸没在密度不同的液体中,分别读出弹簧测力计的示数,如图d、e所示;②测出物体所受浮力。结论三: 。【分析与论证】①由(a)、(c)、(d)三组实验可知,物体所受的浮力与物体浸没在液体中的深度无关;②由(a)、(b)、(c)三组实验可知,物体所受的浮力与物体排开液体的体积有关;③由(a)、(d)、(e)三组实验可知,物体所受的浮力与液体的密度有关;【实验结论】物体在液体中所受浮力的大小,跟它浸在液体中的 体积 有关、跟 液体的密度 有关。物体浸在液体中的体积越大、液体密度越大,浮力就越大。【实验方法】控制变量法的应用①控制液体的密度不变,用测力计提着同一个物体,以不同体积浸入同种液体,探究浮力的大小与物体浸在液体中体积的关系;②控制物体浸在液体中的体积不变,用测力计提着同一物体,让它分别浸没于不同液体中,探究浮力的大小与液体密度的关系;③控制液体的密度及浸在液体中的体积不变,用测力计提着同一物体,让它分别浸没于相同液体的不同深度,探究浮力的大与物体浸在液体中的深度的关系。【交流与讨论】(1)为了实验现象更明显,物体的体积应稍大一些。(2)实验时烧杯中的液体要“适量”:物体浸没后液体不能溢出杯口,同时物体又能够浸没到液体中。(3)误差分析:若先测物体在液体中受到的拉力,再测物体的重力,由于物体上沾有液体,则所测浮力会 偏大 ;(4)物体浸在液体中的体积逐渐增大,物体受到的浮力也随着增大,但是不能理解为浮力的大小与浸没在液体中的深度有关;(5)探究浮力大小与物体形状的关系。将形状不同、质量和密度相同的物体浸在同一液体中,控制物体排开液体的体积相同,比较物体所受浮力的大小 。物体所受浮力大小与物体的形状无关。(6)探究浮力的大小与物体的密度的关系将体积相同的不同物体,浸没在同一液体中,比较物体所受的浮力大小。物体所受浮力大小与物体的密度无关。(7)浮力与深度的关系一般情况下,物体浸没了以后,浮力与深度无关,因为V排不会随着深度变化。但有一种特殊情况:气球(或气泡),不考虑温度变化,在液体中时,由于深度不同,压强也不同,气球的体积会发生变化,越深时,压强越大,体积就越小,V排就越小,浮力就越小,反之亦然。(8)实验室选用了不同的液体,并进行了多次实验是为了让实验结论更具有普遍性。(9)物体的受力分析。物体在空气中时受到竖直向下的重力和竖直向上的拉力;物体在水中时受到 竖直向下的重力 、 竖直向上的拉力 和 竖直向上的浮力 。(10) 、 图像分析( )随着h增大, 先减小后不变, 先增大后不变,如下图所示的示意图
部分内容预览



只能预览部分内容,查看全部内容需要下载哦~
同专辑或相关资料
- 677实验25 伏安法测电阻--备战2021年中考物理25个专题实验精讲与精练
- 354实验24 探究电流与电压和电阻的关系--备战2021年中考物理25个专题实验精讲与精练
- 268实验23 探究影响导体电阻大小的因素--备战2021年中考物理25个专题实验精讲与精练
- 256实验22 探究串、并联电路中电压规律--备战2021年中考物理25个专题实验精讲与精练
- 277实验21 探究串、并联电路中电流规律--备战2021年中考物理25个专题实验精讲与精练
- 340实验20 比较不同物质的吸热能力--备战2021年中考物理25个专题实验精讲与精练
- 355实验19 测量滑轮组的机械效率--备战2021年中考物理25个专题实验精讲与精练
- 366实验18 探究杠杆平衡的条件--备战2021年中考物理25个专题实验精讲与精练
资料审核:czwlzx
下载帮助:
- 下载说明:0点券资源无需下载权限,游客可以直接下载。
- 有点券资源为本站精品课件,只提供给vip会员下载,有效期式vip会员可以在有效期内下载本站所有资源。 查看 【申请有效期vip会员方法】 。
-
- 如果您无法下载到本资料,请先参照以下说明检查:
- 1、所有资料必须是登录后才能下载。
- 2、精品资料下载需要下载权限,请确保您是本站vip会员才可下载。有效期vip会员只受有效期限制,不受点券影响,有效期内即使点券用完,仍可继续下载。
- 4、如果鼠标左键下载时直接打开word文档,无法下载保存,可以右键鼠标选择“将链接另存为”下载word文件。
- 5、如果下载的是word文档,直接可用word软件打开;如果是压缩资料包,下载后请先用winrar解压软件解压,再使用对应软件word打开。
- 6、以上步骤检查后均无法解决问题,您可以到[帮助中心]寻找答案或向网站客服人员寻求支持。


会员登录
用户评论
(欢迎您的评论,评论有奖励哟!)