【三轮复习冲刺】2020年中考物理重要考点突破专题:11 伏安法实验(原卷版和解析版)
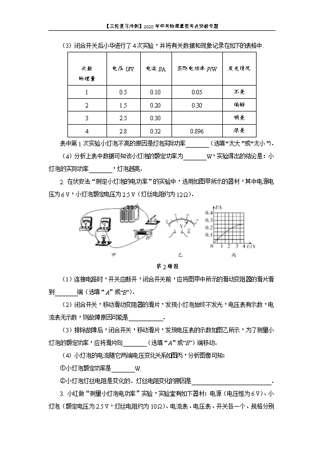
【内容简介】一、伏安法1、电路图:2、实验步骤:闭合开关S,移动滑动变阻器的滑片P,此时注意观察电压表的示数,当电压表的示数等于小灯泡的额定电压时,停止滑动,并记下电流表的示数.3、表达式 二、伏阻法(R0为已知定值电阻)器材特点已知U额已知I额电路图实验步骤①闭合S、S1,移动滑动变阻器滑片,使电压表的读数为U额;②断开S1,闭合S2,保持滑片位置不变,读出电压表的示数为U1①闭合S、S1,移动滑动变阻器滑片,使电压表的读数为I额R0;②断开S1,闭合S2,保持滑片位置不变,读出电压表的示数为U1表达式 三、安阻法(R0为已知定值电阻)器材特点已知U额已知I额电路图实验步骤①闭合S、S2,移动滑动变阻器滑片,使电流表的读数为 ;②断开S2,闭合S1,保持滑片位置不变,读出电流表的示数为I1①闭合S、S2,移动滑动变阻器滑片,使电流表的读数为I额;②断开S2,闭合S1,保持滑片位置不变,读出电流表的示数为I1表达式 类型一 测量小灯泡的电功率1. 小华同学在“测量小灯泡的电功率”的实验中,所用电源电压恒为3 V,小灯泡上标有“2.5 V”字样. 第1题图(1)请用画线代替导线,将图中的实物电路图连接完整.(2)在连接电路时,开关始终是______(选填“断开”或“闭合”)的,在闭合开关前,应将滑片变阻器的滑片移到最______(选填“右”或“左”)端.(3)闭合开关后小华进行了4次实验,并将有关数据和现象记录在如下的表格中. 次数 物理量电压U/V电流I/A实际电功率P/W发光情况10.50.100.05不亮21.50.200.30偏暗32.50.30明亮42.80.320.896很亮表中第1次实验小灯泡不亮的原因是灯泡实际功率________(选填“太大”或“太小”).(4)分析上表中数据可知该小灯泡的额定功率为________W,实验得出的结论是:小灯泡的实际功率________,灯泡越亮.【答案】(1)如答图所示 (2)断开 左 (3)太小 (4)0.75 越大 第1题答图【解析】(1)滑动变阻器与小灯泡串联,按“一上一下”的方法接线,所以只需要把滑动变阻器上面的任意一个接线柱和小灯泡右端接线柱用导线相连即可.如答图所示;(2)在连接电路时开关要断开,在闭合开关前,要将滑动变阻器的滑片滑到阻值最大处,即最左端;(3)第一次实验中,小灯泡两端的电压和通过它的电流都很小,由P=UI可知电功率很小,所以不亮;(4)由表格数据可得,当小灯泡两端的电压为额定电压2.5 V时,通过小灯泡的电流是0.30 A,所以小灯泡的额定功率是P=UI=2.5 V×0.30 A=0.75 W.由表格数据可以看出,小灯泡的实际功率越大,灯泡越亮.2. 在伏安法“测定小灯泡的电功率”的实验中,选用如图甲所示的器材,其中电源电压为6 V,小灯泡额定电压为2.5 V(灯丝电阻约为12 Ω). 第2题图(1)连接电路时,开关应断开,闭合开关前,应将图甲中所示的滑动变阻器的滑片滑到________端(选填“A”或“B”).(2)闭合开关,移动滑动变阻器的滑片,发现小灯泡始终不发光,电压表有示数,电流表无示数,则故障原因可能是____________.(3)排除故障后,闭合开关,移动滑片,发现电压表的示数如图乙所示,为了测量小灯泡的额定功率,应将滑片向________(选填“A”或“B”)端移动.(4)小灯泡的电流随它两端电压变化关系如图丙,分析图像可知:①小灯泡额定功率是________W.②小灯泡灯丝电阻是变化的.灯丝电阻变化的原因是____________________________.【答案】 (1)A (2)小灯泡断路 (3)B (4)①0.5 ②灯丝的温度发生了改变 【解析】(1)连接电路时,闭合开关前应将滑动变阻器滑片滑到阻值最大处,由题图可以看出滑片在A端时,滑动变阻器连入电路中的电阻最大;(2)电流表无示数,说明电路中断路,电压表有示数,说明从电压表的正负两接线柱到电源的正负两极,不会出现断路,则故障只能出现在小灯泡上,故原因可能是小灯泡断路;(3)由题图可以看出,此时小灯泡两端的电压为2.2 V,因小灯泡的额定电压为2.5 V,故应移动滑片使小灯泡两端的电压变大,由串联电路电压规律可知,滑动变阻器电阻变小,滑动变阻器分得的电压变小,小灯泡的电压才能变大,则应使滑动变阻器电阻变小,应使滑片向B端移动;(4)①小灯泡的额定电
只能预览部分内容,查看全部内容需要下载哦~
同专辑或相关资料
- 458【三轮复习冲刺】2020年中考物理重要考点突破专题:12 多档位用电器相关计算(原卷版和解析版)
- 311【三轮复习冲刺】2020年中考物理重要考点突破专题:10 电路故障排除(原卷版和解析版)
- 307【三轮复习冲刺】2020年中考物理重要考点突破专题:09 动态电路分析(原卷版和解析版)
- 283【三轮复习冲刺】2020年中考物理重要考点突破专题:08 电路识别及设计(原卷版和解析版)
- 247【三轮复习冲刺】2020年中考物理重要考点突破专题:07 交通工具类计算题(原卷版和解析版)
- 310【三轮复习冲刺】2020年中考物理重要考点突破专题:06 功、功率、机械效率的综合计算(原卷版…
- 332【三轮复习冲刺】2020年中考物理重要考点突破专题:05 动态杠杆(原卷版和解析版)
- 346【三轮复习冲刺】2020年中考物理重要考点突破专题:04 浮力压强综合计算(原卷版和解析版)
资料审核:czwlzx
下载帮助:
- 下载说明:0点券资源无需下载权限,游客可以直接下载。
- 有点券资源为本站精品课件,只提供给vip会员下载,有效期式vip会员可以在有效期内下载本站所有资源。 查看 【申请有效期vip会员方法】 。
-
- 如果您无法下载到本资料,请先参照以下说明检查:
- 1、所有资料必须是登录后才能下载。
- 2、精品资料下载需要下载权限,请确保您是本站vip会员才可下载。有效期vip会员只受有效期限制,不受点券影响,有效期内即使点券用完,仍可继续下载。
- 4、如果鼠标左键下载时直接打开word文档,无法下载保存,可以右键鼠标选择“将链接另存为”下载word文件。
- 5、如果下载的是word文档,直接可用word软件打开;如果是压缩资料包,下载后请先用winrar解压软件解压,再使用对应软件word打开。
- 6、以上步骤检查后均无法解决问题,您可以到[帮助中心]寻找答案或向网站客服人员寻求支持。





会员登录
用户评论
(欢迎您的评论,评论有奖励哟!)