【三轮复习冲刺】2020年中考物理重要考点突破专题:02 密度的测量(原卷版和解析版)
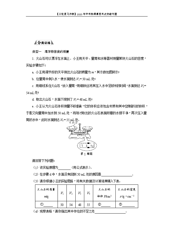
【内容简介】一、测固体体积的四种方法1.沉于水底的物体(1)公式法:规则的物体体积V=长×宽×高。(2)排水法:较小不规则物体体积V=V2-V1。(3)称重法:用弹簧测力计分别测得在空气中重力为G和在水中的示数F,则物体的体积V=(G-F)/(gρ水)。(4)溢水法:将溢水杯装满水,物体放入溢水杯中,把被溢出的水收集到小烧杯中,用天平测出水的质量m水,则V=m水/ρ水。2.浮于水面的物体(1)针压法(工具:量筒、水、大头针):用大头针将漂浮物按入水中,记下量筒中水的变化。(2)沉坠法(工具:量筒、水、细线、金属块):把适量水倒入量筒,再用细线拴住金属块放入水中记V1,然后把金属块和漂浮物拴在一起沉没水中记下V2,则体积V=V2-V1。(3)拉没法:将定滑轮固定在容器底部,利用定滑轮可以改变用力方向将漂浮物拉没入水中。3.易吸水的物体(1)在物体的外表涂上一层薄薄的不溶于水的物质,比如油漆类的。(2)将该物质先放入水中,让它吸足水,再来测体积。4.颗粒状的物体用排沙法测出体积。二、物殊法测密度1.利用等容法(无量筒)测物体的密度。2.利用等浮力法(无天平)测物体的密度。3.利用等压强法测液体的密度。类型一 漂浮物密度的测量1. 火山石可以漂浮在水面上.小王用天平、量筒和水等器材测量某块火山石的密度,实验步骤如下:a. 小王用调节好的天平测出火山石的质量为m,其示数如图所示;b. 往量筒中倒入水,使水面到达V1=50 mL处; c. 用细线系住火山石,放入量筒,用细铁丝将其压入水中足够长的时间,水面到达V2=54 mL处;d. 取出火山石,水面下降到了V3=48 mL处;e. 小王认为火山石体积测量不够准确,它的体积应该包含材质和其中空隙部分的体积,于是又向量筒中加水到50 mL处,将刚才取出的火山石表面附着的水擦干净,再次压入量筒的水中,此时水面到达V4=55 mL处.第1题图请回答下列问题:(1)该实验原理为________(用公式表示).(2)在步骤d中,水面没有回到50 mL处的原因是____________________.(3)请你根据小王的实验思路,将有关数据及计算结果填入下表.火山石的质量m/gV1V2V3V4火山石的体积V/cm3火山石的密度 ρ/g•cm-3①______50544855②______③________(4)观察表格,请你指出其中存在的不足之处____________________.【答案】 (1)ρ=mV (2)火山石吸附了2 mL的水(或火山石吸附了一定体积的水) (3)① 4.2 ② 5 ③ 0.84 (4)记录的体积无单位(实验次数太少等)【解析】(1)据密度公式可知,本实验原理为ρ=mV;(2)原来水面是50 mL,取出火山石后,水面未回到50 mL处的原因是火山石块吸附了2 mL的水;(3)此时标尺的分度值是0.2 g,故此时标尺示数是:4 g+0.2 g=4.2 g;所以火山石的质量:m=4.2 g,据题意可知,计算火山石的体积,应该用步骤e中数据计算,即火山石的体积: V=55 mL-50 mL=5 mL=5 cm3,火山石的密度:ρ=mV=4.2 g5 cm3=0.84 g/cm3;(4)从设计的表格看出,存在的不足之处有多个,如实验次数太少、记录体积无单位等.类型二 体积较大物体密度的测量2.某同学测量一块形状不规则,体积较大的矿石的密度. 第2题图(1)在调节天平平衡过程中,发现指针如图甲所示,此时应将左端的平衡螺母向________调(选填“左”或“右”).(2)用调好的天平测量矿石的质量,当天平平衡时,右盘中砝码及游码位置如图乙所示.因矿石体积较大,他借助于溢水杯,用细线将矿石拴好后缓慢放入水面恰好与溢口相平的溢水杯中,并用空烧杯收集溢出的水倒入量筒中,水的体积如图丙所示,矿石的密度是________kg/m3.他测出的矿石密度与真实值相比________(选填“偏大”、“偏小”或“不变”).【答案】 (1)左 (2)2.74×103 偏大【解析】(1)由题图甲所示可知,指针偏向分度盘的右侧,为使天平平衡,根据“右偏左调” 平衡螺母应向左调节;(2)由题图乙可知,天平标尺的分度值为0.2 g,则标尺上对应的数值为4.4 g,则矿石的质量m=100 g+50 g+10 g+4.4 g=164.4 g.由题图丙可知,量筒中水的体积为60 mL,则矿石的体积为V=60 cm3,故矿石的密度ρ=mV=164.4 g60 cm3=2.74 g/cm3=2.74×103 kg/m3.因将溢出的水从烧杯倒入量筒中时,烧杯壁会粘有部分水,致使测得水的体积偏小,即矿石的体积偏小,根据密度公式ρ=mV可知,m不变,V偏小,矿石的密
只能预览部分内容,查看全部内容需要下载哦~
同专辑或相关资料
- 187第7课时 密度的测量--2021年广东中考物理一轮复习基础整合提升课件
- 1432021年福建中考一轮复习物理基础知识梳理课件:第7课时 密度的测量
- 149江西省2021年中考物理考点复习课件《第七讲 密度的测量》(共28张PPT)
- 458【三轮复习冲刺】2020年中考物理重要考点突破专题:12 多档位用电器相关计算(原卷版和解析版)
- 263【三轮复习冲刺】2020年中考物理重要考点突破专题:11 伏安法实验(原卷版和解析版)
- 311【三轮复习冲刺】2020年中考物理重要考点突破专题:10 电路故障排除(原卷版和解析版)
- 307【三轮复习冲刺】2020年中考物理重要考点突破专题:09 动态电路分析(原卷版和解析版)
- 283【三轮复习冲刺】2020年中考物理重要考点突破专题:08 电路识别及设计(原卷版和解析版)
资料审核:czwlzx
下载帮助:
- 下载说明:0点券资源无需下载权限,游客可以直接下载。
- 有点券资源为本站精品课件,只提供给vip会员下载,有效期式vip会员可以在有效期内下载本站所有资源。 查看 【申请有效期vip会员方法】 。
-
- 如果您无法下载到本资料,请先参照以下说明检查:
- 1、所有资料必须是登录后才能下载。
- 2、精品资料下载需要下载权限,请确保您是本站vip会员才可下载。有效期vip会员只受有效期限制,不受点券影响,有效期内即使点券用完,仍可继续下载。
- 4、如果鼠标左键下载时直接打开word文档,无法下载保存,可以右键鼠标选择“将链接另存为”下载word文件。
- 5、如果下载的是word文档,直接可用word软件打开;如果是压缩资料包,下载后请先用winrar解压软件解压,再使用对应软件word打开。
- 6、以上步骤检查后均无法解决问题,您可以到[帮助中心]寻找答案或向网站客服人员寻求支持。





会员登录
用户评论
(欢迎您的评论,评论有奖励哟!)