当前位置:首页 > 试卷中心> 同步测试> 苏科版九年级同步测试 > 内容详情
2018年秋苏科版九年级物理上册同步练习:14.4欧姆定律的应用 第1课时 伏安法测电阻
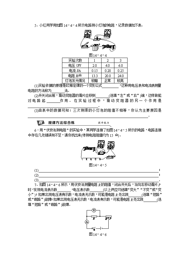
【内容简介】7.如图14-4-6所示,用伏安法测量电阻R的阻值,闭合开关后,当向右移动滑片P时,发现电流表示数________,电压表示数________(以上两空均选填“变大”“不变”或“变小”);如果出现电压表有示数,电流表无示数,可能是电阻R处出现________(选填“短路”或“断路”)故障;如果出现电压表无示数,电流表有示数,可能是电阻R处出现________(选填“短路”或“断路”)故障.
部分内容预览



只能预览部分内容,查看全部内容需要下载哦~
同专辑或相关资料
- 3072025-2026学年苏科版物理九年级上册同步练习:14.4 欧姆定律的应用(附答案)
- 106514.3 欧姆定律的应用--2024-2025学年沪粤版九年级物理上册同步实用教案
- 238圣陶实验中学生态课堂九年级物理课时学历案:17.4 欧姆定律的应用
- 206圣陶实验中学生态课堂九年级物理课时学历案:17.3 伏安法测电阻
- 164[精品]2021秋北师大版九年级物理ppt课件和素材:12.4 欧姆定律的应用
- 8452021秋苏科版物理九年级上册同步课件与素材:14.4《欧姆定律的应用》(第2课时 串、并联电路中…
- 10832021秋苏科版物理九年级上册同步课件与素材:14.4《欧姆定律的应用》(第1课时 伏安法测电阻)
- 16614.4 欧姆定律的应用--2021-2022学年苏科版九年级物理上册考点突破与同步练习(附解析)
资料审核:czwlzx
资料格式:doc
资料版本:苏科版
适用地区:不限
文件大小:723.50KB
资料作者:佚名
审核人员:czwlzx
下载帮助:
- 下载说明:0点券资源无需下载权限,游客可以直接下载。
- 有点券资源为本站精品课件,只提供给vip会员下载,有效期式vip会员可以在有效期内下载本站所有资源。 查看 【申请有效期vip会员方法】 。
-
- 如果您无法下载到本资料,请先参照以下说明检查:
- 1、所有资料必须是登录后才能下载。
- 2、精品资料下载需要下载权限,请确保您是本站vip会员才可下载。有效期vip会员只受有效期限制,不受点券影响,有效期内即使点券用完,仍可继续下载。
- 4、如果鼠标左键下载时直接打开word文档,无法下载保存,可以右键鼠标选择“将链接另存为”下载word文件。
- 5、如果下载的是word文档,直接可用word软件打开;如果是压缩资料包,下载后请先用winrar解压软件解压,再使用对应软件word打开。
- 6、以上步骤检查后均无法解决问题,您可以到[帮助中心]寻找答案或向网站客服人员寻求支持。


会员登录
用户评论
(欢迎您的评论,评论有奖励哟!)