当前位置:首页 > 试卷中心> 同步测试> 沪科版八年级同步测试 > 内容详情
【名校课堂】2016-2017学年八年级物理知识清单:第六章 熟悉而陌生的力(沪科版)
【内容简介】
01 知识梳理
1.力
(1)定义:一个物体对 的相互作用叫做力.
(2)力的作用效果:力可以使物 体的 发生改变,也可以使物体的 发生改变.
(3)力的三要素:大小、 和作用点.
(4)力的描述:在受力物体上沿力的 画一条带箭头的线段,并标出力的 ,用线段的长短表示力的 ,箭头表示力的 ,线段的起点表示力的 W.
2.弹力与弹簧测力计
(1)弹力是物体发生 而产生的力.我们通常所说的 、 等,其实质就是弹力.
(2)弹簧测力计的原理:在一定范围内,弹簧的 跟受到的 成正比.
(3)弹簧测力计
作用 常用的测量 的大小的工具
结构 主要由弹簧、挂钩、指针和 组成
种类 握力计和拉力计等
使用
方法 ①了解弹簧测力计的 ,明确 ;②校零:检查指针 与 是否对齐;③测量力时,要使弹簧测力计内的弹簧轴线方向跟所测力的方向在 上,弹簧不要靠在刻度盘上
3.重力
(1)重力:地面的一切物体由于 的 吸引而产生的.重力与质量的关系: .
(2)方向: .
(3)重心:物体的各个部分都受到重力作用,从 上看,我们可以认为各部分受到的重力集中作用在一个点上,这个点叫做物体的 W.质量分布均匀、形状规则的物体的重心,就在它的 上.
4.滑动摩擦力
(1)定义:一个物体在另一个物体表面上 时所受到的 物体间相对运动的力.
(2)影响因素:滑动摩擦力的大小与 的大小和 的粗糙程度有关.在其他条件相同时,接触面越粗糙,滑动摩擦力越 ;在其 他条件相同时,压力越 ,滑动摩擦力越大.
(3)增大有益摩擦的方法:①增大 ;② 接触面的粗糙程度.
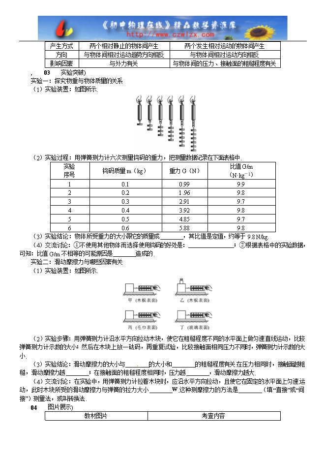
(4)减小有害摩擦的方法: ①减小 ;②使 光滑;③以 代替滑动;④使两个接触面 .02 知识对比
.......
?
部分内容预览



只能预览部分内容,查看全部内容需要下载哦~
同专辑或相关资料
- 8082024沪科版物理八年级上学期课件:第六章 熟悉而陌生的力 章末复习
- 61第六章 熟悉而陌生的力 跨学科实践:创作飞天科幻故事---2024沪科版八年级全一册ppt课件
- 11322022-2023学年度沪科版八年级物理培优练习:第6章 熟悉而陌生的力(附答案)
- 11592021秋沪科版物理八年级上册《第六章 熟悉而陌生的力》复习教案
- 289专题06 熟悉而陌生的力--2021-2022学年沪科版八年级物理上册单元知识点讲解与练习(原卷版和解…
- 2072021年福建中考一轮复习物理基础知识梳理课件:第8课时 熟悉而陌生的力
- 895第六章 熟悉而陌生的力-2020年沪科版中考物理一轮复习考点梳理课件(共99张PPT)
- 12672020年福建省中考物理一轮基础考点一遍过(课件+精练):第7讲 熟悉而陌生的力 (共3份打包)
资料审核:czwlzx
资料格式:doc
资料版本:沪科版
适用地区:不限
文件大小:0.00B
资料作者:【名校课堂】
审核人员:czwlzx
下载帮助:
- 下载说明:0点券资源无需下载权限,游客可以直接下载。
- 有点券资源为本站精品课件,只提供给vip会员下载,有效期式vip会员可以在有效期内下载本站所有资源。 查看 【申请有效期vip会员方法】 。
-
- 如果您无法下载到本资料,请先参照以下说明检查:
- 1、所有资料必须是登录后才能下载。
- 2、精品资料下载需要下载权限,请确保您是本站vip会员才可下载。有效期vip会员只受有效期限制,不受点券影响,有效期内即使点券用完,仍可继续下载。
- 4、如果鼠标左键下载时直接打开word文档,无法下载保存,可以右键鼠标选择“将链接另存为”下载word文件。
- 5、如果下载的是word文档,直接可用word软件打开;如果是压缩资料包,下载后请先用winrar解压软件解压,再使用对应软件word打开。
- 6、以上步骤检查后均无法解决问题,您可以到[帮助中心]寻找答案或向网站客服人员寻求支持。


会员登录
用户评论
(欢迎您的评论,评论有奖励哟!)