2012新人教版八年级物理《7.3重力》教学案(2013年春使用
【内容简介】1.课前探究
(1)重力的由来:
重力是指_______________________,用字母_____表示,单位是_____。
重力的产生是来源于___________,重力的施力物体是________。
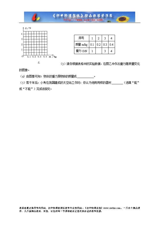
(2)探究重力的大小跟什么因素有关?
不同的物体,所受的重力相同吗?
猜想:物体所受重力大小可能跟什么因素有关?
猜想的依据是 。
探究:物体所受重力与物体质量的关系?
(3)重力的方向:重垂线实验
(4)重心
重心是指 ____________________ 。质地均匀,形状规则物体的中心即是物体的重心。
匀正方形薄板的重心在 ,球的重心在 ,粗细均匀的木棒的重心在 。(规则物体的重心在它的几何中心上)
2.归纳总结
(1)重力是指____________________ ,重力的施力物体是________。
(2)苹果从树上下落,是因为受 力的作用,它的方向是 。
(3)通常把物体所受重力的大小叫 ,它与物体的 有关系,这个关系用公式表示为 ,g取9.8N/kg,在粗略计算时,g可以取10N/kg。其数值是用文字叙述为 。
【例题十三】小明同学用一个最大能测量5N的弹簧测力计来探究物体所受重力跟质量的关系,实验时得到的数据如下表。
钩码质量m/g 100 200 300 400 500 600
弹簧测力计的示数F/N 1.0 2.0 3.0 4.0 5.0 已无刻度
(1)小明同学实验中错误的地方是 。
(2)去掉错误部分,由表中的数据可知,重力与质量的关系是 。
........
?
?
?
部分内容预览



只能预览部分内容,查看全部内容需要下载哦~
同专辑或相关资料
资料审核:初中物理在线
资料格式:doc
资料版本:人教版
适用地区:不限
文件大小:0.00B
资料作者:初中物理在线
审核人员:初中物理在线
下载帮助:
- 下载说明:0点券资源无需下载权限,游客可以直接下载。
- 有点券资源为本站精品资源,只提供给vip会员下载,有效期式vip会员可以在有效期内下载本站所有资源。 查看 【申请有效期vip会员方法】 。
-
- 如果您无法下载到本资料,请先参照以下说明检查:
- 1、精品资料必须是登录后才能下载。
- 2、精品资料需要下载权限,请确保您是本站vip会员才可下载。有效期式vip会员只受有效期限制,不受点券影响,有效期内即使点券用完,仍可继续下载。
- 4、如果浏览器启用了拦截弹出窗口,此功能有可能造成下载失败,请临时关闭此功能。本站所有资源下载也无需打开任何下载软件。
- 5、如果下载的是word文档,直接可用word软件打开;如果是压缩资料包,下载后请先用winrar解压软件解压,再使用对应软件word打开。
- 6、以上步骤检查后均无法解决问题,您可以到[帮助中心]寻找答案或向网站客服人员寻求支持。


会员登录
用户评论
(欢迎您的评论,评论有奖励哟!)