备战2021中考物理实验探究真题精准练:专题09 机械运动(原卷版和解析版)
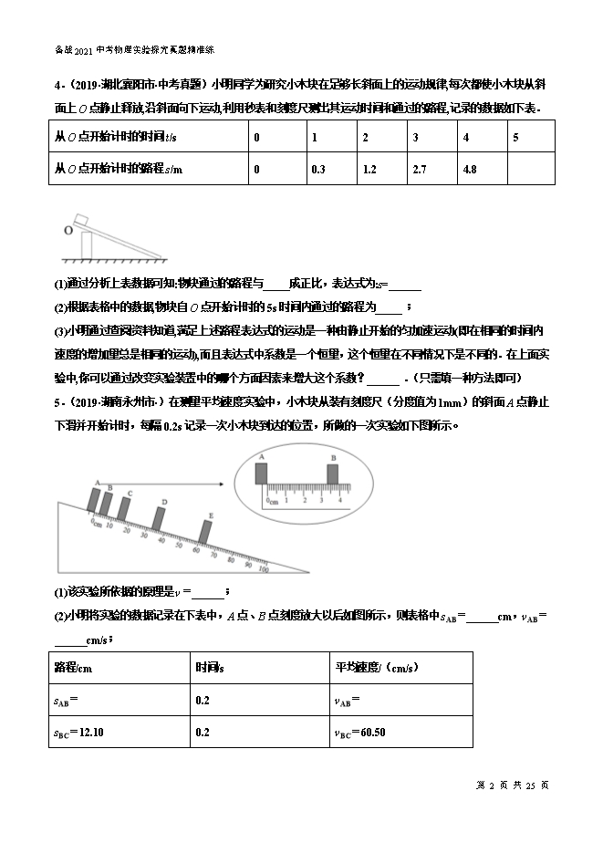
【内容简介】1.(2020•山东枣庄市•中考真题)某实验小组在“测量物体运动的平均速度”实验中,让小球从斜面A点由静止开始滚下,频闪照相机记录了小球在相同时间内通过的路程,照片如图所示,(1)依据照片可判断,小球在做______(选填“加速”、“减速”或“匀速”)运动; (2)如果频闪照相机每隔0.2s拍摄一次,并测得sAB=5cm,sBC=15 cm,则小球在BC段的平均速度为______m/s,小球在AC段的平均速度为______m/s;(3)如图所示,能说明小球在斜面上运动情况的图像是______; (4)小球在AD段运动过程中,经过时间tAD中点时的速度为v1,经过路程sAD中点时的速度为v2,则v1______v2(选填”或“= ”)。2.(2020•吉林中考真题)在“测量小车运动的平均速度”的实验中:(1)需要的测量工具有停表和_______。(2)为了减小实验误差,应使斜面坡度较____些。(3)小车在3s内运动了0.9m,则它通过这段路程的平均速度为_____m/s。3.(2020•山西中考真题)为了保障学生安全,交警在育才中学校门前的街道,设置了限速30km/h的标志牌。有家长反映,经常有车辆超速。在没有安装测速仪的情况下,请你设计实验方案,测量校门前行驶车辆的平均速度是否超速。(1)实验器材:______;(2)实验步骤:______;(3)实验结论:______。4.(2019•湖北襄阳市•中考真题)小明同学为研究小木块在足够长斜面上的运动规律,每次都使小木块从斜面上O点静止释放,沿斜面向下运动,利用秒表和刻度尺测出其运动时间和通过的路程,记录的数据如下表.从O点开始计时的时间t/s012345从O点开始计时的路程s/m00.31.22.74.8 (1)通过分析上表数据可知:物块通过的路程与_____成正比,表达式为:s=______(2)根据表格中的数据,物块自O点开始计时的5s时间内通过的路程为_____ ;(3)小明通过查阅资料知道,满足上述路程表达式的运动是一种由静止开始的匀加速运动(即在相同的时间内速度的增加量总是相同的运动),而且表达式中系数是一个恒量,这个恒量在不同情况下是不同的.在上面实验中,你可以通过改变实验装置中的哪个方面因素来增大这个系数?______ .(只需填一种方法即可)5.(2019•湖南永州市•)在测量平均速度实验中,小木块从装有刻度尺(分度值为1mm)的斜面A点静止下滑并开始计时,每隔0.2s记录一次小木块到达的位置,所做的一次实验如下图所示。 (1)该实验所依据的原理是v=______;(2)小明将实验的数据记录在下表中,A点、B点刻度放大以后如图所示,则表格中sAB=______cm,vAB=______cm/s;路程/cm时间/s平均速度/(cm/s)sAB=0.2vAB=sBC=12.100.2vBC=60.50sCD=20.000.2vCD=100.00sDE=27.900.2vDE=139.50 (3)由上表数据得出,小木块下滑过程中在做______(选填“匀速”或“变速”)运动;(4)实验是存在误差的。根据表中数据,在误差允许的范围内你可以推测出vAB、vBC、vCD、vDE之间的数学关系式是______。(只要写出一条,答案合理即可得分,但写vDE>vCD>vBC>vAB不能得分)6.(2019•辽宁丹东市•中考真题)小明同学利用斜面、小车,刻度尺,停表测量小车沿斜面下滑时的平均速度。 (1)该实验的原理是_____。(2)实验中小车从A位置运动到C位置的路程如图所示,并测得小车在这段路程内运动的时间为2s,则小车在这段时间内的平均速度为_____m/s。(3)实验过程中,由于小车的运动时间较短,不便于计时,可以通过使斜面的倾斜程度变_____(填“陡”或“缓” )的方式,改变小车的运动时间,达到便于测量时间的目的。(4)完成上述实验后,他在斜面底端放置了一个小木块,想继续探究小车的动能与速度的关系,他应将同一小车从斜面_____(填“相同”或“不同”)的高度由静止释放,可以通过观察小木块_____得到结论;若再探究小车的动能与质量的关系,他应将质量不同的小车从斜面____(填“相同”或“不同”)的高度由静止释放,目的是_____。7.(2019•广西百色市•中考真题)小明用小车、长木板、刻度尺、秒表、木块等器材探究小车沿斜面滑下时速度的变化,实验设计如图甲所示,让小车从斜面的A点由静止滑下并开始记时,分别测出小车到达B点和C点的时间tB、tC.
只能预览部分内容,查看全部内容需要下载哦~
同专辑或相关资料
- 122026年中考物理模型与方法强化重难点专题训练:专题32.机械运动模型(学生版和教师版)
- 852025-2026人教版物理八年级上册培优卷:第一章 机械运动(附解析)
- 511第一章 机械运动 全章复习和总结 课件--2025-2026人教版物理八年级上册课件资源包
- 618【2025-2026暑假预习讲义】第一章 机械运动---人教版八年级上册物理(附答案)
- 2612025年中考物理高频易错考前预测题--机械运动(含解析)
- 542025年中考物理基础知识复习课件:第1讲 机械运动
- 62第6讲 长度与时间的测量 机械运动--2025年甘肃中考物理一轮专题复习分点练(原卷版和解析版)
- 111人教2024新版《第一章 机械运动》同步拓展提升卷及解析
资料审核:czwlzx
下载帮助:
- 下载说明:0点券资源无需下载权限,游客可以直接下载。
- 有点券资源为本站精品课件,只提供给vip会员下载,有效期式vip会员可以在有效期内下载本站所有资源。 查看 【申请有效期vip会员方法】 。
-
- 如果您无法下载到本资料,请先参照以下说明检查:
- 1、所有资料必须是登录后才能下载。
- 2、精品资料下载需要下载权限,请确保您是本站vip会员才可下载。有效期vip会员只受有效期限制,不受点券影响,有效期内即使点券用完,仍可继续下载。
- 4、如果鼠标左键下载时直接打开word文档,无法下载保存,可以右键鼠标选择“将链接另存为”下载word文件。
- 5、如果下载的是word文档,直接可用word软件打开;如果是压缩资料包,下载后请先用winrar解压软件解压,再使用对应软件word打开。
- 6、以上步骤检查后均无法解决问题,您可以到[帮助中心]寻找答案或向网站客服人员寻求支持。





会员登录
用户评论
(欢迎您的评论,评论有奖励哟!)