【精品】备战2021年中考物理实验精练精解专题:实验题9 探究水的沸腾(原卷版和解析版)
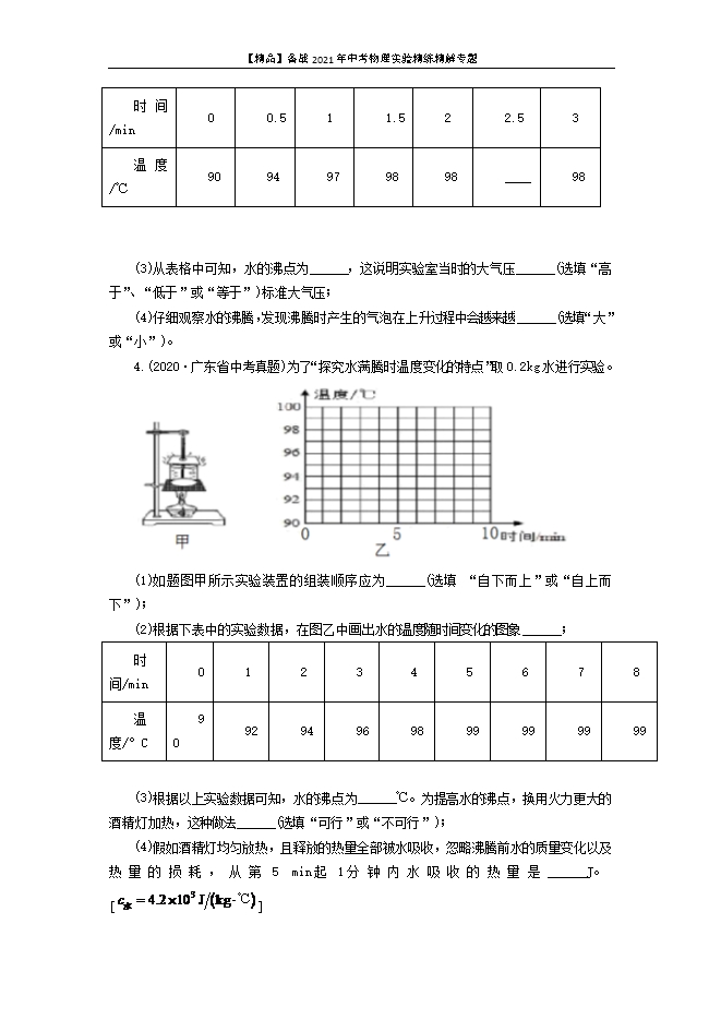
【内容简介】一.实验:探究水的沸腾实验、使用液体温度计并探究水的沸腾过程方法与步骤:1、按图图所示安装实验仪器。2、用酒精灯给水加热至沸腾。当水温接近90时每隔1min记录一次温度,填在下表中3、作出水沸腾时温度和时间关系的曲线。4、分析现象和图像,得到结论:水沸腾时吸热,但温度保持不变,有沸点。注意事项:1、为了节省时间,可以一开始就使用热水或减少水的质量;2、如果烧杯擦得特别干净或用烧杯中的水曾煮开过,这时,由 于气泡产生条件不足,致使沸腾时气泡发生不太剧烈。如在 水中投入少许碎瓦粒,则沸腾现象格外醒目。3、引导学生了解水的沸点为什么不是100摄氏度.二.真题精练1.(2020•贵州省黔东南州中考真题)如图所示是探究“水的沸腾”的实验装置。当水温上升到90℃时,每隔1min记录一次温度计的示数,直到水沸腾5min后停止记录: (1)图甲中温度计读数是 _______℃,图乙中,表示水在沸腾时的现象是其中的 ______图(选填“A”或“B”);(2)根据实验数据,作出了水的温度随时间变化的图像,如图丙所示,由图像可知,在当时条件下,水的沸点是 _______℃;(3)水在沸腾过程中的特点____________; (4)水沸腾时,杯口附近出现大量“白气”,“白气”是水蒸气遇冷___________形成的。【答案】 (1). 96 (2). A (3). 98 (4). 继续吸热,温度不变 (5). 液化【解析】【详解】(1)[1]由图甲知,温度计的分度值为1℃,所以其示数为96℃。[2]由图乙知,A中气泡在上升过程中逐渐增大,是沸腾时的现象,故A符合题意;B中气泡在上升过程中体积逐渐减小,是沸腾前的现象故B不符合题意。故选A。(2)[3]由图丙可知,水在沸腾过程中温度保持98℃不变,所以水的沸点为98℃。(3)[4]由图像可知水在沸腾过程中,需要继续吸热,但温度保持不变。(4)[5]杯口附近出现大量的“白气”是由水蒸气遇冷液化形成的小水珠组成的。2.(2020•山东省德州市中考真题)如图甲所示,是小蕊同学探究“水沸腾时温度变化特点”的实验装置。 (1)图甲的实验装置,安装时应按照______(选填“由上到下”或“由下到上”)的顺序;实验中除了图甲的器材之外,还需要的测量工具是______;(2)图甲装置中硬纸板的主要作用是______;(3)小蕊用质量为 的水做实验,根据记录的实验数据,绘出图乙中的a图线,由a图像可知:水沸腾时吸收热量,温度______;(4)若换用初温相同的质量为m2(m2>m1)的水做实验,得到的图线是图乙中的______。(选填“b”“c”或“d”)【答案】 (1). 由下到上 (2). 秒表 (3). 缩短加热时间(减少热量散失) (4). 不变 (5). c【解析】【详解】(1)[1][2]在该实验中,先安装下面器材,再安装上面器材,便于调节器材间的距离,且便于利用酒精灯的外焰加热;实验过程中需要测量加热时间,因此需要用到秒表。(2)[3]在烧杯上覆盖的中心有孔的硬纸板的主要作用是减少热量散失,缩短实验时间。(3)[4]由图象可知,水沸腾时的特点是吸收热量,温度不变。(4)[5]换用初温相同的质量为m2(m2>m1)的水做实验,质量较大,水的沸点不变,加热时间较长,所以得到的图象可能是图乙中的c。3.(2020•湖北省荆州市中考真题)如图,在“探究水沸腾时温度变化的特点”实验中: (1)关于小纸片的作用,说法错误的是______(选填标号);A.减少热损失B.有助于固定温度计C.减少“水雾”的干扰,方便读数D.减小杯内气压,使水沸腾得更快(2)用酒精灯给水加热至沸腾。当水温接近90℃时,每隔0.5 min记录一次温度。某探究小组记录的数据如下表,请填写空格中的数据:时间/min00.511.522.53温度/℃9094979898____98(3)从表格中可知,水的沸点为______,这说明实验室当时的大气压______(选填“高于”、“低于”或“等于”)标准大气压;(4)仔细观察水的沸腾,发现沸腾时产生的气泡在上升过程中会越来越______(选填“大”或“小”)。【答案】 (1). D (2). 98 (3). 98 (4). 低于 (5). 大【解析】【分析】(1)如果利用小纸片将烧杯盖住,减少热量散失以缩短加热到沸腾的时间,固定温度计及便于读数;(2)(3)液体沸腾时不断吸收热量,温度保持不变,这个不变的温度是液体的沸点;沸点随气压的改变而改变;(4)水沸腾前有气泡产生,气泡上升体积变小;当水沸腾时有大量的气泡产生,气泡上升变大,到水面破裂。【详解】(1)[1]如果利用小纸片将烧杯盖住,减少热量散失以缩短加热到沸腾的时间,有助于固定温度计,减少“水雾”的干扰,方便读数,杯内气压基本不变;故选D。(2)[2]水沸腾时持续吸热,但温度不变,所以填入表格的数据为98℃。(3)[3]由表格可知,水在第1.5min开始,水不断吸收热量,温度保持98℃不变,所以此时水的沸点是98℃。[4]因为标准大气压下水的沸点为100℃,所以此时的大气压低于1个标准大气压。(4)[5]水沸腾时,内部各个地方的水都在汽化,气泡在上升时里边的水蒸气会越来越多,加之越往上水的压强越小,因此,气泡会越来越大。
只能预览部分内容,查看全部内容需要下载哦~
同专辑或相关资料
- 1225【精品】备战2021年中考物理实验精练精解专题:实验题19 探究“重力与质量的关系”(原卷版和…
- 1156【精品】备战2021年中考物理实验精练精解专题:实验题20 探究“二力平衡条件”(原卷版和解析…
- 981【精品】备战2021年中考物理实验精练精解专题:实验题18 测量物体运动的平均速度(原卷版和解…
- 1019【精品】备战2021年中考物理实验精练精解专题:实验题17 探究导体电阻大小与哪些因素有关(原…
- 205【精品】备战2021年中考物理实验精练精解专题:实验题16 探究压力作用效果与哪些因素有关(原…
- 183【精品】备战2021年中考物理实验精练精解专题:实验题15 测量某物质的密度(原卷版和解析版)
- 218【精品】备战2021年中考物理实验精练精解专题:实验题14 测量滑轮组的机械效率(原卷版和解析…
- 197【精品】备战2021年中考物理实验精练精解专题:实验题13 探究杠杆的平衡条件(原卷版和解析版)
资料审核:czwlzx
下载帮助:
- 下载说明:0点券资源无需下载权限,游客可以直接下载。
- 有点券资源为本站精品课件,只提供给vip会员下载,有效期式vip会员可以在有效期内下载本站所有资源。 查看 【申请有效期vip会员方法】 。
-
- 如果您无法下载到本资料,请先参照以下说明检查:
- 1、所有资料必须是登录后才能下载。
- 2、精品资料下载需要下载权限,请确保您是本站vip会员才可下载。有效期vip会员只受有效期限制,不受点券影响,有效期内即使点券用完,仍可继续下载。
- 4、如果鼠标左键下载时直接打开word文档,无法下载保存,可以右键鼠标选择“将链接另存为”下载word文件。
- 5、如果下载的是word文档,直接可用word软件打开;如果是压缩资料包,下载后请先用winrar解压软件解压,再使用对应软件word打开。
- 6、以上步骤检查后均无法解决问题,您可以到[帮助中心]寻找答案或向网站客服人员寻求支持。





会员登录
用户评论
(欢迎您的评论,评论有奖励哟!)