当前位置:首页 > 试卷中心> 同步测试> 人教版九年级同步测试 > 内容详情
【寒假作业】巩固练11 串、并联电路中电流的规律--2020-2021学年人教版九年级物理上学期寒假作业
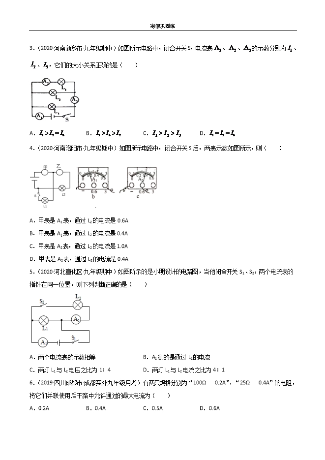
【内容简介】1.(2020•广东实验中学九年级期中)下列电路中,闭合开关后能测量出电阻R1的电流的是( )A. B. C. D. 【答案】C【解析】A.图中R1、R2并联,电流表测量干路电流,故A不符合题意;B.图中电流表正负接线柱接反,故B不符合题意;C.图中R1、R2并联,电流表测量R1的电流,故C符合题意;D.图中R1、R2并联,电流表测量R2的电流,故D不符合题意。故选C。2.(2020•厦门市湖滨中学九年级期中)如图所示的电路中,电源电压保持不变,闭合开关S1、S2,两灯都发光,当把开关S2断开时,灯泡L1的亮度及电流表示数变化的情况是( ) A.L1亮度不变,电流表示数变小B.L1亮度不变,电流表示数不变C.L1变亮,电流表示数不变D.L1变暗,电流表示数变小【答案】A【解析】如图所示的电路中,电源电压保持不变,闭合开关S1、S2,两灯都发光,L1、L2并联,电流表测干路电流;当把开关S2断开时,L2不亮,电流表示数变小,L1亮度不变。故选A。3.(2020•河南新乡市•九年级期中)如图所示电路中,闭合开关S,电流表 、 、 的示数分别为 、 、 ,它们的大小关系正确的是( ) A. B. C. D. 【答案】B【解析】由图可知当开关闭合后,电流表 测量通过三个灯泡的电流, 测量灯 通过的电流, 测量灯 和灯 通过的电流,故 。故选B。4.(2020•河南洛阳市•九年级期中)如图所示电路中,闭合开关S后,两表示数如图所示,则( ) A.甲表是A1表,通过L2的电流是0.6AB.甲表是A1表,通过L2的电流是0.4AC.甲表是A2表,通过L2的电流是1.0AD.甲表是A2表,通过L2的电流是0.4A【答案】B【解析】开关闭合后,电路为并联电路,甲表测量干路中的电流,乙表测量L2支路中的电流, A1接入电路的量程为大量程,所以甲表是A1表,A2接入电路的量程为小量程,示数为0.4A,L2支路中的电流为0.4A,故ACD错误,B正确。故选B。5.(2020•河北宣化区•九年级期中)如图所示的是小明设计的电路图,当他闭合开关S1、S2,两个电流表的指针在同一位置,则下列判断正确的是( ) A.两个电流表的示数相等B.A1测的是通过L1的电流C.两灯L1与L2电压之比为1∶4D.两灯L1与L2电流之比为4∶1【答案】D【解析】AB.闭合开关S1、S2,两灯并联,A1测干路,A2测L2,干路电流等于各支路电流之和,故A、B错误;CD.两个电流表的指针在同一位置,电流表大小量程为5倍关系,故A1示数是A2的5倍,L1与L2电流之比为4∶1,故C错误、D正确。故选D。6.(2019•四川成都市•成都实外九年级月考)有两只规格分别为“100Ω 0.2A”、“25Ω 0.4A”的电阻,将它们并联使用后干路中允许通过的最大电流为( )A.0.2AB.0.4AC.0.5AD.0.6A【答案】C【解析】规格为“100Ω 0.2A”的电阻的额定电压为 规格为“25Ω 0.4A”的电阻的额定电压为 所以两个电阻并联时,电源电压最大为10V,则规格为“100Ω 0.2A”的电阻的电流为 规格为“25Ω 0.4A”的电流为0.4A,则干路中的总电流 故选C。7.(2020•河北丰润区•九年级期中)在如图所示的电路中,S闭合后下列各种情况正确的是( ) A.如果甲、乙、丙是电压表,当S1闭合后U丙>U乙B.如果甲是电压表,乙、丙电流表,S1断开形成串联电路C.电路中甲表和乙表可以同时是电流表D.如果电路是并联电路,则乙表的示数小于丙表的示数【答案】A【解析】A.如果甲、乙、丙是电压表,当S1闭合后,两电阻串联,丙测量电源电压,乙测量电阻R1两端电压,则U丙>U乙故A正确;B.如果甲是电压表,乙、丙电流表,S1断开形成并联电路,故B错误;C.电路中甲表、乙表同时是电流表时,电源被短路,故C错误;D.如果电路是并联电路,此时甲是电压表,乙、丙电流表,乙表测量干路电流,丙表测量电阻R1所在支路电流,则乙表的示数大于丙表的示数,故D错误。故选A。 二、多选题8.(2020•郑州市第一二二中学九年级月考)如图所示,开关S闭合,两个灯均正常发光,电流表A1的示数为0.8A,电流表A2的示数为0.3A,电压表V的示数为8V。下列判断正确的是( ) A.通过灯L2的电流为0.3AB.通过灯L1的电流为0.8AC.灯L1的电阻为16ΩD.灯L2的电阻为10Ω【答案】AC【解析】AB.根据电路图知,两灯并联,电流表A2测量灯L2的电流,A1测量干路的电流,电压表既测L1两端电压,也测L2两端电压,同时测电源电压;电流表A2的示数为0.3A,即通过灯L2的电流为0.3A,根据并联电路电流的特点,所以灯L1的电流I1=I-I2=0.8A-0.3A=0.5A故A正确,B错误;CD.因为是并联电路,因此灯L1的电压U1=U2=8V则灯L1的电阻 灯L2的电阻 故C正确,D错误。故选AC。三、填空题9.(2020•江苏灌云县•九年级期中)如图甲所示,闭合开关 后,发现 比 亮,电流表 示数是 ,则电流表 示数是______ 。如图乙所示,若在电路a、b两处接入电流表,其示数分别是 、 ,则电流表接在c处时,其示数为______ 。 【答案】0.25 0.7 【解析】[1]由图甲可知,两灯泡串联,已知电流表 示数是 ,因为串联电路中电流处处相等,所以电流表 示数也是 ;[2]由图乙可知,两灯泡并联,a处接入电流表,则测得是干路电流,即 ,若 处接入电流表测得是通过灯泡 的电流,即 ,由并联电路的关系可知: ,电流表接在 处时,其示数
部分内容预览



只能预览部分内容,查看全部内容需要下载哦~
同专辑或相关资料
- 264专题15.5 串、并联电路中电流的规律--2025-2026人教版物理九年级全一册同步学习 培优讲练:知…
- 772025-2026学年新人教版九年级上学期物理课件:15.5串、并联电路中电流的规律
- 1368【教学课件】人教版九年级物理 第十五章 电流和电路 第5节 串、并联电路中电流的规律 精品课件…
- 6915.5串、并联电路中电流的规律--2023-2024人教版物理九年级全册ppt课件
- 882023-2024人教版九年级物理同步练:《15.5串、并联电路中电流的规律》同步练2(附答案)
- 572023-2024人教版九年级物理同步练:《15.5串、并联电路中电流的规律》同步练1(附答案)
- 18215.5 串、并联电路中电流的规律--2022-2023人教版物理九年级全一册ppt课件
- 34115.5 串、并联电路中电流的规律--2021-2022人教版九年级物理考点精讲与精练(原卷版和解析版)
资料审核:czwlzx
下载帮助:
- 下载说明:0点券资源无需下载权限,游客可以直接下载。
- 有点券资源为本站精品课件,只提供给vip会员下载,有效期式vip会员可以在有效期内下载本站所有资源。 查看 【申请有效期vip会员方法】 。
-
- 如果您无法下载到本资料,请先参照以下说明检查:
- 1、所有资料必须是登录后才能下载。
- 2、精品资料下载需要下载权限,请确保您是本站vip会员才可下载。有效期vip会员只受有效期限制,不受点券影响,有效期内即使点券用完,仍可继续下载。
- 4、如果鼠标左键下载时直接打开word文档,无法下载保存,可以右键鼠标选择“将链接另存为”下载word文件。
- 5、如果下载的是word文档,直接可用word软件打开;如果是压缩资料包,下载后请先用winrar解压软件解压,再使用对应软件word打开。
- 6、以上步骤检查后均无法解决问题,您可以到[帮助中心]寻找答案或向网站客服人员寻求支持。


会员登录
用户评论
(欢迎您的评论,评论有奖励哟!)