专题18 电功率--江苏省2018-2020年三年中考物理真题分类汇编(原卷版和解析版)
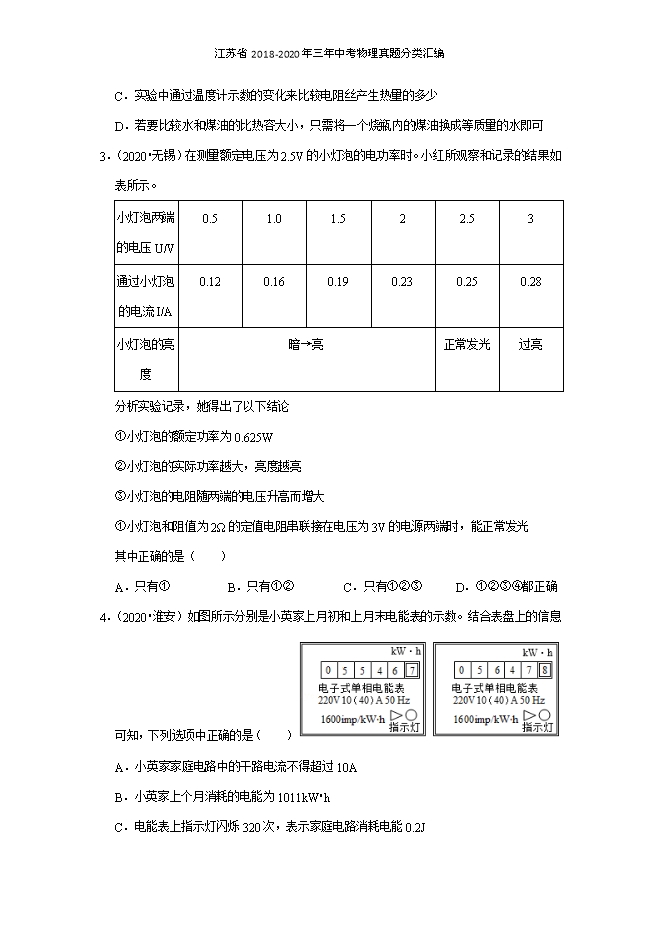
【内容简介】1.(2020•南通)图甲为天然气泄漏检测电路原理图,电源电压恒定,R0为定值电阻,气敏传感器两端电压UQ随天然气浓度C变化的关系如图乙,则下列描述R0的功率P0,电路的总功率P随天然气浓度C变化的关系图线中,可能正确的是( ) A. B. C. D. 【答案】C【解析】由题图可知,R0与气敏传感器串联,电压表测气敏传感器两端的电压。由图乙可得,气敏传感器两端的电压与天然气浓度C成正比,即根据串联电路的电阻分压特点可知:气敏传感器的阻值变大,所以,气敏传感器的阻值(R气)与天然气浓度C也成正比。A和B、R0的功率P0= = ,故P0与U0是一个二次函数关系,因U0与C是一个一次函数关系(成正比),所以P0与C项是二次函数关系。故A、B错误;C和D、电路总功率P= ,R气随C的增大而增大,所以P随C的增大而减小,故C正确,D错误。故选:C。2.(2020•宿迁)图是探究“影响电流热效应因素”的实验装置,将R1、R2两电阻丝密封在两只完全相同的烧瓶内,且R1>R2,瓶内装入等质量的煤油,下列说法错误的是( ) A.烧瓶内选用比热容较小的液体,可以使实验现象更明显B.该装置可以探究电流通过电阻丝产生的热量与电阻大小的关系C.实验中通过温度计示数的变化来比较电阻丝产生热量的多少D.若要比较水和煤油的比热容大小,只需将一个烧瓶内的煤油换成等质量的水即可【答案】D【解析】A、在液体质量相同、吸收热量相同的情况下,比热容小的物质温度要升高的多,所以用比热容小的液体可以使实验现象更明显,故A正确;B、由图可知,该电路为串联电路,通过两个电阻的电流和通电时间是相同的,电阻不同,所以该装置可以探究电流通过电阻丝产生的热量与电阻大小的关系,故B正确;C、通电后电流通过电阻丝做功,产生热量使煤油的温度升高,通过观察温度计的示数大小来判断电流产生的热量的多少,这个研究方法为转换法,故C正确;D、比较水和煤油的比热容大小时,需要用相同的加热器加热质量相同的不同液体,使它们在相同的时间内吸收相同的热量,所以需要控制两个电阻的装置相同,故D错误。本题选错误的;故选:D。3.(2020•无锡)在测量额定电压为2.5V的小灯泡的电功率时。小红所观察和记录的结果如表所示。 小灯泡两端的电压U/V0.51.01.522.53通过小灯泡的电流I/A0.120.160.190.230.250.28小灯泡的亮度暗→亮正常发光过亮分析实验记录,她得出了以下结论①小灯泡的额定功率为0.625W②小灯泡的实际功率越大,亮度越亮③小灯泡的电阻随两端的电压升高而增大①小灯泡和阻值为2Ω的定值电阻串联接在电压为3V的电源两端时,能正常发光其中正确的是( )A.只有①B.只有①②C.只有①②③D.①②③④都正确【答案】D【解析】①灯泡两端电压等于额定电压2.5V时正常发光,由表中数据知,此时通过灯泡的电流为0.25A,所以灯泡的额定功率P=UI=2.5V×0.25A=0.625W,故①正确;②由表中数据知,灯泡两端电压越大,通过的电流也越大,由P=UI可知,灯泡的实际功率越大,小灯泡越亮,故②正确;③由R= 计算可得,各次实验灯泡电阻分别为:4.17Ω、6.25Ω、7.89Ω、8.70Ω、10Ω、10.71Ω,所以小灯泡的电阻随两端的电压升高而增大,故③正确;④小灯泡和阻值为2Ω的定值电阻串联接在电压为3V的电源两端,
部分内容预览



只能预览部分内容,查看全部内容需要下载哦~
同专辑或相关资料
- 196第18章 电功率 专题训练--2025-2026学年九年级阶段性调研试题十六(人教版)【王牌物理河南专…
- 44第18章 电功率 培优训练--2025-2026学年九年级阶段性调研试题十七(人教版)【王牌物理河南专…
- 2952025-2026学年新人教版九年级上学期物理课件:18.2电功率
- 932025-2026人教版物理九年级全一册培优卷:第十八章 电功率(附解析)
- 5422025年中考物理基础知识复习课件:第14讲 欧姆定律 电能 电功率
- 72第22讲 电功率--2025年甘肃中考物理一轮专题复习分点练(原卷版和解析版)
- 893电功率--2025年中考物理复习教材知识点及探究实验考点梳理
- 452024-2025人教版九年级物理《第十八章 电功率》同步拓展提升试题及解析
资料审核:czwlzx
下载帮助:
- 下载说明:0点券资源无需下载权限,游客可以直接下载。
- 有点券资源为本站精品课件,只提供给vip会员下载,有效期式vip会员可以在有效期内下载本站所有资源。 查看 【申请有效期vip会员方法】 。
-
- 如果您无法下载到本资料,请先参照以下说明检查:
- 1、所有资料必须是登录后才能下载。
- 2、精品资料下载需要下载权限,请确保您是本站vip会员才可下载。有效期vip会员只受有效期限制,不受点券影响,有效期内即使点券用完,仍可继续下载。
- 4、如果鼠标左键下载时直接打开word文档,无法下载保存,可以右键鼠标选择“将链接另存为”下载word文件。
- 5、如果下载的是word文档,直接可用word软件打开;如果是压缩资料包,下载后请先用winrar解压软件解压,再使用对应软件word打开。
- 6、以上步骤检查后均无法解决问题,您可以到[帮助中心]寻找答案或向网站客服人员寻求支持。


会员登录
用户评论
(欢迎您的评论,评论有奖励哟!)