当前位置:首页 > 试卷中心> 单元测试> 沪粤版九年级单元测试 > 内容详情
2020-2021学年沪粤版九年级物理同步单元双基双测AB卷:第十二章 《内能与热机》测试卷(B卷提升篇)
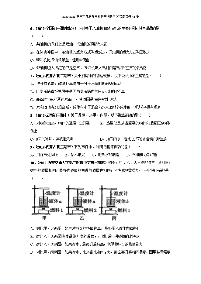
【内容简介】1.(2019•江阴市第一初级中学初三期中)下列有关热的说法正确的是( )A.晶体在熔化过程中温度不变,内能也不变B.某台四冲程汽油机的飞轮转速为2 400 r/min,则1 s内该汽油机对外做功80次C.在沿海,由于陆地和大海升、降温快慢不同,所以白天的风通常从大海吹向陆地D.热机所用燃料的化学能转化成的内能越多,该热机的效率越高【答案】C【解析】A.晶体在熔化过程中,虽然温度保持不变,但是在不断吸热,所以内能增大,故A错误;B.四冲程汽油机的飞轮转速若为2400r/min,则该飞轮每秒钟转40圈;由于一个工作循环飞轮转2圈,完成四个工作冲程,做功1次,活塞往复2次,所以1s内,飞轮转40圈,活塞往复运动80次,共20个工作循环,80个冲程,做功20次,故B错误;C.白天,在太阳照射下陆地和海水吸收相同的热量,由于水的比热容比泥土、沙石的比热容大,所以,海水吸热后温度上升慢;陆地吸热后,温度上升快,热空气上升,风从海洋吹向陆地,形成海风,故C正确;D.热机效率是指热机用来做有用功的能量与燃料完全燃烧放出能量的比值,故D错误。2.(2019•山东初三期中)关于热量、内能和温度,下列说法中正确的是( )A.温度高的物体内能一定大 B.温度高的物体含有的热量多C.物体内能增加,不一定要从外界吸收热量 D.温度是内能改变的量度【答案】C【解析】A.内能的多少与物体的质量、温度、状态有关,单比较物体的温度不能判断内能的大小,故A错误;B.热量是一个过程量,要用“吸收”或“放出”来表达,而不能用“具有”或“含有”来修饰,故B错误;C.改变物体内能的方式是做功和热传递,物体内能增加,不一定要从外界吸收热量,也可以是外界对其做了功,故C正确。D.温度是表示物体冷热程度的物理量,物体内能改变,温度不一定改变,故D错误。3.(2019•江苏初二期中)下列现象中,不能用分子动理论解释的是( )A.海绵很容易被压缩 B.湿衣服在阳光下逐渐晒干C.春天,校园里花香扑鼻 D.将两个表面光滑的铅块相互紧压后会粘在一起【答案】A【解析】A.海绵中存在很多的小孔,当我们挤压时会很容易,这种现象不能用分子动理论解释;B.湿衣服在阳光下,衣服中的水分子不断运动,蒸发到空气中,衣服就变干,这是水分子运动的结果,能用分子运动理论解释;C.春天校园里的花开以后,花里面的芳香分子不断扩散到空气中,所以花香扑鼻,是分子运动的结果,能用分子动理论解释。D.分子间有相互作用的引力和斥力,两个表面光滑的铅块相互挤压后粘在一起,是因为分子间由引力,能用分子运动理论解释;4.(2019•江苏初三期中)如图所示,在金属管内装一些酒精,当迅速来回拉动绕过金属管的粗绳时,筒壁会发热,一会儿,看到紧塞在管口的塞子突然被射出,同时听到“呯”的一声.根据这些现象,下列说法不正确的是( ) A.来回拉动粗绳时,将机械能转化为内能 B.塞子被射出,将内能转化为机械能C.筒壁会发热,原因是酒精的化学能转化为内能 D.筒壁会发热,原因是克服摩擦做功,物体内能增加【答案】C【解析】A、拉动绳子时,绳子与筒壁相互摩擦做功,机械能转化为它们的内能,故A正确,不符合题意;B、筒内气体膨胀对活塞做功,内能转化为机械能,故B正确,不符合题意;CD、拉动绳子时,绳子与筒壁相互摩擦做功,机械能转化为筒壁的内能,使其内能增大,温度升高,故C错误,符合题意,D正确,不符合题意。故选C。5.(2019•江苏初三期中)关于内能、温度和热量,下列说法正确的是( )A.物体的内能跟物体的运动速度、物体的温度和物质状态都有关系B.物体沿光滑的斜面滑下时,温度升高,内能增大C.质量和初温相同的水和煤油,放出相同热量时煤油温度降低的多D.内能总是从内能多的物体向内能少的物体转移【答案】C【解析】A、物体的内能与物体的运动速度无关,故A错误;B、物体沿光滑斜面下滑时,机械能守恒,没有内能产生,内能不变,故B错误;C、质量相同、初温相同的水和煤油,放出相同的热量;因为水的比热容大,所以水的温度变化小,煤油的温度变化大,故煤油的末温低一些,故C正确;D、根据热传递的定义可知,内能总是从温度高的物体向温度低的物体转移,故D错误。6.(2019•全国初三课时练习)下列关于汽油机和柴油机的主要区别,其中错误的是( )A.柴油机的汽缸上是喷油,汽油机的顶部有火花B.在做功冲程中,柴油机的点火方式叫点燃式,汽油机的点火方式叫压燃式C.柴油机比汽油机笨重,但燃料便宜D.柴油机吸入汽缸的只是空气,汽油机吸入汽缸的是汽油和空气的混合物【答案】B【解析】A. 柴油机和汽油机在结构上的不同是:柴油机的气缸上是喷油嘴,汽油机的顶部有火花塞,故A正确;B. 在做功冲程中,柴油机的点火方式叫压燃式,汽油机的点火方式叫点燃式,故B错误;C. 柴油机比汽油机笨重,但燃料便宜,功率大,多用在拖拉机,坦克等笨重的机械上,故C正确;D. 柴油机和汽油机在吸气冲程中吸入汽缸的物质不同:柴油机吸入气缸的只是空气,汽油机吸入气缸的是汽油和空气的混合物,故D正确;
部分内容预览



只能预览部分内容,查看全部内容需要下载哦~
同专辑或相关资料
- 512024-2025沪粤版九年级物理《第十二章 内能与热机》培优训练卷及答案
- 832023秋沪粤版九年级物理《第十二章 内能与热机》综合素质评价试题及答案
- 1582022-2023学年沪科版物理九年级全一册单元测试:第十三章 内能与热机(附答案)
- 1332021-2022学年沪科版物理九年级全一册单元测试:第十三章 内能与热机(附答案)
- 218第十三章 内能与热机--2021年广东中考物理知识梳理课件
- 185[精品]2020-2021学年沪粤版九年级物理上学期期末复习考点通专题:2 内能与热机(原卷版和解析…
- 386第12章 内能与热机 章末复习案—2020秋九年级物理沪粤版上册作业ppt(成套)
- 311【精品】2020-2021学年沪粤版九年级物理上册同步课堂:第12章 内能与热机(单元测试和单元总结)
资料审核:czwlzx
下载帮助:
- 下载说明:0点券资源无需下载权限,游客可以直接下载。
- 有点券资源为本站精品课件,只提供给vip会员下载,有效期式vip会员可以在有效期内下载本站所有资源。 查看 【申请有效期vip会员方法】 。
-
- 如果您无法下载到本资料,请先参照以下说明检查:
- 1、所有资料必须是登录后才能下载。
- 2、精品资料下载需要下载权限,请确保您是本站vip会员才可下载。有效期vip会员只受有效期限制,不受点券影响,有效期内即使点券用完,仍可继续下载。
- 4、如果鼠标左键下载时直接打开word文档,无法下载保存,可以右键鼠标选择“将链接另存为”下载word文件。
- 5、如果下载的是word文档,直接可用word软件打开;如果是压缩资料包,下载后请先用winrar解压软件解压,再使用对应软件word打开。
- 6、以上步骤检查后均无法解决问题,您可以到[帮助中心]寻找答案或向网站客服人员寻求支持。


会员登录
用户评论
(欢迎您的评论,评论有奖励哟!)