2020年基于核心素养下的34个中考物理特色专题:19 杠杆问题(原卷版和解析版)
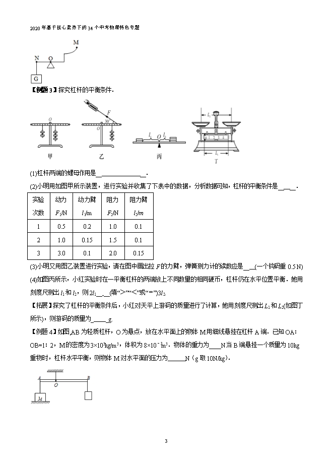
【内容简介】1.杠杆定义:在力的作用下绕着固定点转动的硬棒叫杠杆。说明:①杠杆可直可曲,形状任意。②有些情况下,可将杠杆实际转一下,来帮助确定支点。如:鱼杆、铁锹。2.杠杆五要素——组成杠杆示意图。①支点:杠杆绕着转动的点。用字母O 表示。②动力:使杠杆转动的力。用字母 F1表示。③阻力:阻碍杠杆转动的力。用字母 F2表示。说明:动力、阻力都是杠杆的受力,所以作用点在杠杆上。动力、阻力的方向不一定相反,但它们使杠杆的转动的方向相反④动力臂:从支点到动力作用线的距离。用字母l1表示。⑤阻力臂:从支点到阻力作用线的距离。用字母l2表示。3.画力臂方法:一找支点、二画线、三连距离、四标签⑴找支点O;⑵画力的作用线(虚线);⑶画力臂(虚线,过支点垂直力的作用线作垂线);⑷标力臂(大括号)。4.研究杠杆的平衡条件:杠杆平衡是指:杠杆静止或匀速转动。实验前:应调节杠杆两端的螺母,使杠杆在水平位置平衡。这样做的目的是:可以方便的从杠杆上量出力臂。(1)结论:杠杆的平衡条件(或杠杆原理)是:动力×动力臂=阻力×阻力臂。写成公式F1l1=F2l2也可写成:F1 / F2=l2 / l1(2)解题指导:分析解决有关杠杆平衡条件问题,必须要画出杠杆示意图;弄清受力与方向和力臂大小;然后根据具体的情况具体分析,确定如何使用平衡条件解决有关问题。(如:杠杆转动时施加的动力如何变化,沿什么方向施力最小等。)(3)解决杠杆平衡时动力最小问题:此类问题中阻力×阻力臂为一定值,要使动力最小,必须使动力臂最大,要使动力臂最大需要做到①在杠杆上找一点,使这点到支点的距离最远;②动力方向应该是过该点且和该连线垂直的方向。5. 杠杆的平衡条件应用:名称结构特征特点应用举例省力杠杆动力臂大于阻力臂省力、费距离撬棒、铡刀、动滑轮、轮轴、羊角锤、钢丝钳、手推车、花枝剪刀费力杠杆动力臂小于阻力臂费力、省距离缝纫机踏板、起重臂人的前臂、理发剪刀、钓鱼杆等臂杠杆动力臂等于阻力臂不省力不费力天平,定滑轮
部分内容预览



只能预览部分内容,查看全部内容需要下载哦~
同专辑或相关资料
- 2262025-2026学年苏科版物理九年级上册同步练习:第十一章 简单机械和功 小专题1 杠杆(附答案)
- 4112.1 杠杆 第2课时--2024-2025人教版八年级下学期物理名师课件
- 5312.1 杠杆 第1课时--2024-2025人教版八年级下学期物理名师课件
- 2879.1 杠杆--2024-2025北师大版八年级下学期物理名师课件
- 2706.5.1 杠杆---2024-2025学年沪粤版物理八年级下册同步教学课件
- 67第15讲 杠杆 滑轮--2025年甘肃中考物理一轮专题复习分点练(原卷版和解析版)
- 9366.5 杠杆 第2课时--2024-2025沪粤版八年级下学期物理名师课件
- 8996.5 杠杆 第1课时--2024-2025沪粤版八年级下学期物理名师课件
资料审核:czwlzx
所属专辑: 2020年基于核心素养下的34个中考物理特色专题(原卷版和解析版)
资料格式:doc
资料版本:不限
适用地区:不限
文件大小:994.38KB
资料作者:hufei
审核人员:czwlzx
下载帮助:
- 下载说明:0点券资源无需下载权限,游客可以直接下载。
- 有点券资源为本站精品课件,只提供给vip会员下载,有效期式vip会员可以在有效期内下载本站所有资源。 查看 【申请有效期vip会员方法】 。
-
- 如果您无法下载到本资料,请先参照以下说明检查:
- 1、所有资料必须是登录后才能下载。
- 2、精品资料下载需要下载权限,请确保您是本站vip会员才可下载。有效期vip会员只受有效期限制,不受点券影响,有效期内即使点券用完,仍可继续下载。
- 4、如果鼠标左键下载时直接打开word文档,无法下载保存,可以右键鼠标选择“将链接另存为”下载word文件。
- 5、如果下载的是word文档,直接可用word软件打开;如果是压缩资料包,下载后请先用winrar解压软件解压,再使用对应软件word打开。
- 6、以上步骤检查后均无法解决问题,您可以到[帮助中心]寻找答案或向网站客服人员寻求支持。


会员登录
用户评论
(欢迎您的评论,评论有奖励哟!)